Основные способы монтажа труб
Различают всего два способа укладки труб для обустройства теплого пола – настильный и бетонный. В первом методе для основания применяются готовые материалы: утеплитель-полистирол и панели модульного или реечного типа. Здесь нет мокрых работ, требующих долгого высыхания, поэтому укладка происходит быстро.
При использовании второго варианта сеть обогрева замуровывается стяжкой. В зависимости от толщины бетона рассчитывается время на его полное высыхание. Предстоит выдержка 28 дней для укрепления и только после разрешается монтировать выбранное напольное покрытие. Это самый трудоемкий и финансово-затратный способ.
#1: Укладка на профильные теплоизоляционные плиты
Обустройство теплой напольной системы подобным методом является самым простым. В качестве основы здесь применяются маты утеплителя-полистирола.
Стандартные параметры таких плит 30*100*3 см. В них есть пазы и невысокие столбики, на которые выполняется укладка финишного материала.
В этом случае заливка бетонной стяжкой необязательна. Если для настила полов будет применяться плитка или линолеум, изначально на основу будут настланы гипсоволокнистые листы. Толщина таких плит должна составлять не менее 2 см.
#2: Устройство по модульным и реечным панелям
В большинстве случаев, такие панели используются в домах, возведенных из дерева. Крепление труб для обустройства теплого пола выполняется на черновом основании.
Модульная система обустраивается панелями ДСП, толщиной в 2,2 см, на которые и укладываются линии обогрева. Эти модули оснащены каналами для размещения фиксирующих пластин из алюминия. При этом методе укладки слой утеплителя будет располагаться в деревянном перекрытии.
Все полосы размещаются с дистанцией в 2 см. Отталкиваясь от применяемого шага между трубами, эксплуатируются полоски соответствующей длины (15–30 см) и ширины (13-28 см).
Чтобы сократить тепловые потери на пластинах устанавливают защелки для труб. Если для финишного покрытия пола был выбран линолеум, на трубы укладывают один слой гипсоволокнистых плит, если ламинат или паркетная доска – обходятся без них.
Реечная система настила практически идентична модульной, однако в ней применяются не панели, а планки, минимальная ширина которых равна 2,8 см.
Укладка производится непосредственно на лаги с шагом 40-60 см, а расстояние между рейками – не менее 2 см. Для теплоизоляции выбирают экструдированный пенополистирол или волокнистую минеральную вату.
Оба способа больше подходят для деревянных полов. В других случаях выбирают более сложный вариант с бетонной стяжкой.
#3: Монтаж трубопровода по стяжке
Несмотря на трудоемкость процесса, монтаж сети обогрева с бетонной стяжкой является наиболее востребованным.
Процесс состоит из следующих этапов:
- В первую очередь подготавливается основа. Неровности чернового пола устраняются с помощью перфоратора.
- Первым слоем идет гидроизоляционный материал. Он стелется полосами таким образом, чтобы края накладывались друг на друга на 20–30 см. Также пленка должна заходить и на основание стен на 15 см. Строительным скотчем проклеиваются стыки.
- Поверх него стелется термоизоляция.
- Между будущей заливкой и стенами проклеивается демпферная лента. Это действие требуется для компенсации расширения стяжки в момент нагревания полов.
- Укладка армирующей сетки. Она способствует увеличению прочности стяжки.
- На арматуру по выбранной схеме с помощью пластиковых затяжек, крепятся трубы.
- Контрольная проверка системы теплый пол осуществляется методом заполнения ее жидкостью и опрессовки.
- Далее производится установка направляющих маячков.
- Финишный этап – заливка цементной стяжки.
Для помещений с большой площадью следует использовать метод секторного деления, с ячейками не более 30 м 2 . Для каждого из них необходимо обустраивать индивидуальный контур.
Если нижний этаж отапливается, то в качестве утеплителя используется пенополистирол толщиной 20–50 мм. Когда снизу находится цокольный неотапливаемый этаж или подвал, толщина теплоизоляции должна быть 50-100 ммЗаливка теплых полов бетонно-песчаной смесью может выполняться на армирующую сетку или без нее.
Если в роли утеплителя выступают пенополистироловые плиты с разъемами под контуры, применение сетки необязательно.
Когда будет использоваться стандартный термоизоляционный материал, для фиксации теплопроводящей линии используют тонкую полимерную или металлическую сетку.
На нашем сайте есть серия статей, посвященных проектированию, монтажу и подключению водяных теплых полов.
Теплый пол: что учитывается при расчете
Для организации эффективной работы отопления необходимо правильно рассчитать расстояние между трубами теплого пола – шаг укладки трубы. Этот показатель зависит от коэффициента теплопроводности материала, из которого она изготовлена, и ее диаметра, а также места укладки и возможных теплопотерь. Неправильный расчет приведет либо к перегреву поверхности, либо к дискомфорту, связанному с перепадами температур.
https://youtube.com/watch?v=PXdSuPLNuQY
Расчет водяного теплого пола, материалы
Коэффициент теплопроводности
Определение расстояние между петлями контура необходимо начинать с выбора основного расходного материала. Для этого нужно определить, какие трубы лучше всего проводят тепло и традиционно используются для организации теплого водяного пола, расположив их в порядке убывания.
- Медь.
- Сталь.
- Металлопластик.
- Сшитый полиэтилен.
- Полипропилен.
Шаг между трубами из материалов, имеющих высокий показатель теплопроводности всегда больше. Лучше всего проводят тепло медные и стальные гофрированные трубы. Однако их применяют в обустройстве водяного теплого пола очень редко по причине высокой стоимости. А хуже всего проводит тепло полипропилен, который используют редко по причине плохой эластичности.
Самыми популярными материалами являются сшитый полиэтилен и металлопластик.
Диаметр труб
Чем меньше диаметр основного элемента системы, тем меньше нужно делать расстояние между петлями в контуре. При использовании трубы большего диаметра, шаг укладки в контуре, соответственно, увеличивается.
- Труба диаметром 16 мм укладывается с минимальным расстоянием, составляющим 10-15 см.
- При увеличении диаметра до 20 мм увеличивается и шаг укладки. В этом случае он может составлять 15-20 см.
-
При использовании трубы диаметром 25 мм расстояние между петлями должно составлять от 20 см до 30 см.
Специалисты не рекомендуют применять при укладке контуров теплого водяного пола трубы меньшего или большего диаметра, так как при их использовании отопление потеряет свою эффективность.
https://youtube.com/watch?v=g7NKlIVUOLc
Трубы для теплого пола
Тепловые потери и место расположения
Шаг между петлями в контуре водяного теплого пола может быть постоянным или переменным. Постоянный шаг, как правило, соблюдается в промышленных помещениях и в комнатах, к которым предъявляются жесткие требования относительно температуры воздуха, к примеру, в санузлах.
Расчет длины контура водяного теплого пола
- В больших промышленных помещениях, а также бассейнах и аквапарках, расстояние между петлями должно составлять 20 см (при условии использования расходного материала диаметром 20 мм).
- В санузлах шаг укладки должен составлять 15 см.
- Во всех остальных случаях используется переменный шаг. Минимальное расстояние между витками соблюдается вдоль стен, соприкасающихся с улицей, так как именно в этих местах наблюдаются наибольшие теплопотери. По мере удаления от наружных стен шаг укладки увеличивается.
- В целом оптимальный размер шага укладки определяется, исходя из расчетной мощности тепловых потерь.
- Если тепловые потери составляют меньше 50 Вт/м², шаг укладки в контуре может составлять 30 см.
- Если же тепловая нагрузка превышает 80 Вт/м², то соблюдается минимальный шаг.
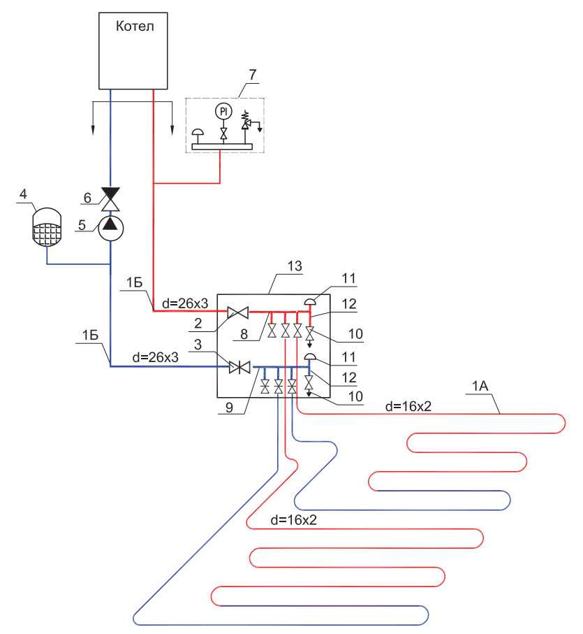
Схема прямого подключения
У вас есть котел, после которого смонтирована вся арматура безопасности + циркуляционный насос. В некоторых настенных вариантах котлов, насос идет изначально встроенным в его корпус.
Для напольных экземпляров придется ставить его отдельно. От этого котла, вода сначала направляется в распределительный коллектор, и далее разбегается по петлям. После чего завершив проход, возвращается через обратку в теплогенератор.

Спецификация материалов и оборудования на примере Valtec
При такой схеме, котел непосредственно настраивается на желаемую температуру самих ТП. У вас тут нет никаких дополнительных батарей отопления или радиаторов.
На какие главные особенности здесь стоит обратить внимание? Во-первых, при таком прямом подключении, желательно устанавливать конденсационный котел.
В таких схемах, работа при относительно невысоких температурах для конденсационника вполне оптимальна. В этом режиме он достигнет своего наибольшего КПД.
Если же вы будете использовать обычный газовый котел, то в скором времени попрощаетесь со своим теплообменником.
Второй нюанс касается твердотопливных котлов. Когда у вас смонтирован именно он, для прямого подключения к теплым полам, вам потребуется еще и буферная емкость.
Она нужна для ограничения температурного режима. Твердотопливными котлами напрямую очень тяжело регулировать температуру.
Исходные данные
Итак, для проектирования водяных полов потребуется знать, или потребуется сказать проектировщику следующие данные:
- План всего дома. Если в доме несколько этажей, то планы всех этажей;
- Информация о том, из какого материала сделаны наружные стены, окна, двери, а также их типы;
- Указание необходимой температуры, то есть желаемой температуры в помещении;
- Место установки отопительного котла, а также его высота над уровнем пола;
- Наличие стояков, отводов внутри помещения;
- Некоторые данные о расположении мебели.
После сбора всех таких данных можно будет сделать тепловой расчет системы теплых водяных полов. И уже на его основе, а также на основе некоторых данных, приведенных выше, составить схему монтажа.
Надо сказать, что перед тем, как спроектировать теплый водяной пол, не лишним будет позаботиться о таких вещах, как расположение мебели, котла и других. Определиться стоит заранее. Это связано с тем, что под большими элементами мебели трубы теплого водяного пола не укладываются, дабы сэкономить средства.
Монтажные схемы водяного пола
Монтажных схем укладки теплых водяных полов не так уж много:
- Змейка. Монтаж осуществляется петлями.
- Улитка. Трубы располагают по спирали.
- Комбинированный.
Схема #1 – классическая “улитка”
Когда используют монтаж в форме улитки, трубы по которым в комнату подаётся горячая вода, и те, по которым остывшая вода возвращается обратно, размещаются по всей площади комнаты и проходят параллельно друг другу.
Нагрев помещения выполняется равномерно. Если комната, в которой происходит монтаж, имеет стену, выходящую на улицу, в ней может быть использована сдвоенная спираль. Малую спираль размещают вдоль холодной стены, а на оставшейся площади располагают вторую спираль.
Спираль действительно похожа на улитку. Когда её витки располагаются недалеко от “холодной” внешней стены комнаты, шаг между элементами конструкции может быть уменьшен
Преимущества:
- нагрев выполняется равномерно
- уменьшается гидравлическое сопротивление;
- для спирали требуется меньше труб;
- изгиб выполняется плавно, поэтому шаг можно сократить.
Недостатки такой схемы это трудоемная укладка, и сложность проектирования по сравнению с другими вариантами раскладки.
Витки спирали равномерно покрывают всю комнату, отдавая тепло одинаково активно по всей поверхности пола. Изображенная на схеме синим, отводящая остывшую воду труба тоже проходит по всему помещению
Схема #2 – укладка змейкой
Это вариант укладки уместен в таком помещении, которое разделено на функциональные зоны, в которых предполагается использование разных температурных режимов.
Если первый виток пустить по периметру комнаты, а внутри него создать одинарную змейку, то одну половину комнаты будет хорошо согревать поступающая горячая вода, а во второй половине будет циркулировать остывшая, и будет прохладно.
Простая змейка чаще всего используется в тех помещениях, в которых применяется зонирование: где-то поверхность пола может быть теплее, а где-то прохладнее
Можно применить и другой вариант той же укладки – двойную змейку. При ней возвращающая и подающая труба проходят по всему помещению рядом друг с другом.
Третий вариант – угловая змейка. Он используется для угловых помещений, в которых на улицу выходят не одна, а две стены.
Петли змейки тоже могут покрывать комнату равномерно, но сразу бросается в глаза тот факт, что трубы в этом случае изогнуты больше, чем при укладке спирали
Преимущества:
такую схему просто и спроектировать, и воплотить в жизнь.
Недостатки:
- перепад температур в одном помещении;
- изгиб труб достаточно крут, чтобы при небольшом шаге привести к излому.
Схема #3 – комбинированный вариант
Не все помещения имеют прямоугольную форму. Для таких комнат и для тех, которые имеют две наружные стены, разрабатывают комбинированные варианты укладки.
Если помещение рядом с наружными стенами нужно нагревать интенсивнее, можно именно там проложить горячие трубы, расположенные петлями, которые иногда располагаются практически под прямым углом друг к другу.
Ещё одной возможностью прогрева помещения вдоль холодной стены является уменьшение шага расположения труб именно в этом месте.
Не каждая комната в современных индивидуальных постройках может сохранить прямоугольную форму. Для покрытия водными теплыми полами такой поверхности необходима комбинированная укладка
Если вы захотите смонтировать водяной пол с подогревом в своей городской квартире, находящейся в многоквартирном доме, вам, скорее всего, потребуется специальное разрешение.
И такой вид обогрева сможет функционировать только в период отопительного сезона. Но современные новые дома ещё на стадии создания проекта предусматривают именно такие теплые полы. Они работают от единого автономного котла и могут функционировать круглогодично.
Комбинированная укладка – отличный вариант монтажа, который выручает в том случае, когда комната требует разделения по зонам обогрева
Расчет на специальных программах
Существование таких программ, немного упрощает процесс выбора конструкции теплых водяных полов. Как нужно работать с ними?
Вначале в программе заполняются все данные о помещении и предполагаемом материале изделий для контура, который вы решили использовать. Программа самостоятельно выдаст вам необходимую длину и шаг трубы.
На этом этапе определяются следующие параметры:
- Необходимая длина всего контура.
- Правильное распределение тепловой энергии по всей поверхности пола.
- Пределы максимальной тепловой нагрузки, которую сможет обеспечить система.
Совет. Если ввиду каких-то причин вам понадобится сделать больше шаг трубопровода, то одновременно следует и позаботиться об увеличении температуры теплоносителя. Допустимый показатель шага 5–60 см, наиболее часто трубы укладывают с шагом в 15–30 см, используя как переменный, так и постоянный шаг.
Классическое устройство водяного пола
Чтобы смонтировать трубы на поверхности пола необходимо выбрать один из трех способов их устройства:
- Бетонная стяжка. Трубы достаточно объёмны, поэтому их нельзя покрывать плиточным клеем. Для их закрепления используется бетонная стяжка, которая должна заливаться на высоту не меньше чем на три сантиметра над поверхностью трубы.
- Пенополистирол. Этот метод менее популярен из-за большей трудоёмкости. При его применении в пенополистироле необходимо вырезать пазы. Делать это придется вручную. Затем в пазы укладывают сами трубы, поверх которых заливается стяжка.
- Деревянные пазы. Этот самый трудоёмкий способ иногда используют в жилищах с деревянными полами. Набивая на пол доски, создают жёлоб такой формы, которая нужна для размещения труб.
А теперь представьте, какова цена ошибки при выполнении расчета или выборе схемы монтажа подогреваемого пола, если он устроен с помощью бетонной стяжки. Придется частично или даже полностью демонтировать саму стяжку.
Безусловно, пострадает и внутренняя отделка помещения. Поэтому относиться к каждому этапу работы следует со всей ответственностью.
Разновидности водяного пола и их структура
Водяные теплые полы бывают 4 видов. Все они имеют разную структуру и схему укладки. Что из этого лучше – выбирать только вам. Везде есть свои плюсы и минусы.
Деревянный пол модульного типа
Он состоит из готовых элементов – модулей (ДСП 22 мм) в которых предварительно фрезеровали каналами. Установка происходит на балки перекрытия. Между лагами укладывается утеплитель. Шаг между балками – 600 мм. При использовании керамики – 300 мм.
Монтаж модулей очень прост, достаточно выложить модули на пол. Чтобы сцепить систему между собой, используется специальный замок, который уже установлен в элементы.
Модульный и реечный тип пола применяют для деревянного основания (в деревянных домах), которые установлены на деревянные лаги.
Пошаговые инструкции:
- Убедитесь, что деревянный пол, на который планируется укладывать систему отопления, ровный и чистый. Если пол скрипит, есть начало гниения дерева, имеются трещины, под досками есть ощущение сквозняка – лучше переделать поверхность.
- Делайте расстояние между лагами строго не более 60 см.
- Далее, прибивайте к балкам, к нижней части – фанеру или доску. Это будет фальшпол для удержания теплого пола.
- Наверх фальшпола уложите утеплитель. Но, сначала выстилать слой полиэтилена. Поверх всего этого – пенополистирол или лучше стекловату.
- Далее уложите готовые модули, скрепляя между собой замочками.
- В пазы модулей вставьте трубу-теплоноситель.
- Далее можно укладывать ламинат. В некоторых случаях, между ламинатом и теплым полом прокладывают слой усилителя (алюминиевую пластину, подложку).
Деревянные полы реечного типа
Такая система отличается от модульного типа своей конструкцией. Если в модуле используются готовые элементы, то в реечной системе необходимо сформировать пазы (выкладку досок 28 мм толщиной и с 20 мм расстоянием между рейками).
Реечная разновидность так же устанавливается на лаги (балки) с таким же промежутком, как и в модульном варианте. Между ними кладут утеплитель.
Пластины из алюминия применяют, если в укладке шаг равен 150, 200 или 300 мм. В местах, где будут тепловые потери (угловая стена квартиры, окна), то используется шаг 150 мм.
Неважно, модульную систему вы выберете или реечную, знайте, для каждого из них составляется свой отдельный проект с уникальным расчетом нагрузки на отопительную систему
Бетонная система
Это система чаще всего применяется при установке теплого пола. Суть простая – устанавливаются трубы и заливаются бетоном.
- Теплоизоляция (рекомендуют чаще применять пенополистирол). Нужна для того, чтобы удержать тепло в комнате. Чтобы обогрев шел не вниз к полу, а вверх – в комнату и ее пространство.
- Железная сетка. Монтаж производят на теплоизоляцию (полистирольный пол). К ней прикрепляют трубы специальными хомутами. Существует много иных аксессуаров для крепежа такого типа пола (клипсы, рельсы, гарпуны).
- Демпферная лента. Её выкладывают по периметру комнаты еще до момента заливки. Является компенсатором теплового расширения, когда стяжка нагревается.
- Трубы (от 8 до 32 мм). Выбор диаметра трубы напрямую зависит от объема площади обогрева и нагрузки на систему отопления. Укладка труб производится только по спец. проекту. Перед их заливкой проводится тестирование всей системы на работоспособность и на наличие протечек.
- Бетонная заливка (стяжка). Это бетонный раствор. Заливается в самую последнюю очередь. Заключительный этап по установке тёплого пола.
Посмотрите видео, в котором мастера устанавливают пол и заливают его бетонной стяжкой. Вы увидите, как правильно распределять стяжку по основанию труб: ровно, без перепадов и комков.
Заливаем стяжку по теплому полу. Стяжка по маякам. Подробно
Требования к помещениям
Перед монтажом теплого пола из труб с водой необходимо выяснить – выдержит ли межэтажное перекрытие дополнительную нагрузку. При правильном устройстве по СНиПам бетонная стяжка над укладываемым трубопроводом с теплоносителем должна подниматься на 45–50 мм. Тоньше нельзя из-за низкой прочности получающегося слоя, а толще делать не рекомендуется, потому что вырастает энергопотребление на прогрев бетона.
Каждый квадратный метр стяжки из ЦПС с маркой М300 и высотой 10 мм – это приблизительно 22 кг. Плюс сюда добавляется вес арматуры и утеплителя, а также напольного покрытия.
В итоге общая нагрузка на перекрытие от «теплого пола» в комнате 15–20 квадратов нередко превышает пару тонн. Если плита между этажами не способна выдержать такую дополнительную массу, то рассматриваемую систему обогрева делать нельзя.
Твердеющий бетон и температурные колебания – вещи несовместимые. Также нельзя для его просушки прибегать к преждевременному включению водяного пола на «отопление», что приведет к появлению в бетонном слое локальных участков с перегревом. В этих случаях стяжка неизбежно растрескается и утратит свою прочность.
Теплопроводимость разных материалов
Список материалов
Процесс проектирования начинается с перечня используемых элементов/компонентов. Условное разделение на языке опытных мастеров происходит на:
- сырье для создания конструкции. Цемент для стяжки, финишное покрытие, комплектующие, хомуты, изоляция электроэнергии, предметы заземления, гидроизоляция, теплоизоляция;
- отдельное вспомогательное оборудование. Котел для автономности водяной системы. Насосы, краны, смесители, нить/гель для герметичности, термодатчик, регулятор, фиксатор/распределитель напряжения/мощности;
- потребующиеся инструменты. Все от рулетки до последнего винтика/гвоздя/малярного скотча/прочего декоративного элемента;
- основной теплоноситель. Вода, карбоновые инфракрасные датчики, электрический мат/кабель.
Это лишь поверхностное перечисление. Полный перечень будет зависеть от отдельных особенностей/тонкостей монтажа
Поэтому важно рассмотреть несколько вариантов для полноты картины
Схематический рисунок станет идеальным завершением подготовки к составлению плана проекта теплый пол. Конечно, все вышеперечисленное там находится/учтено/добавлено/рассмотрено в мельчайших подробностях.
Схемы укладки
Существует несколько видов схемы теплораспределения труб. Каждая из них применяется в разных случаях.
Оно чаще делается одинаковым. Но, если есть в помещении место, которое необходимо прогревать интенсивней – в этом месте делают шаг меньше, от этого трубы располагаются ближе друг к другу и теплее греют.
Змейка
Змейку проще всего устанавливать. Чаще применяют в небольших, уютных помещениях. Теплоотдача змейки ниже других вариантов. Классический шаг змейки – 150 мм (100 мм у стены и холодной зоны).
Ниже, данной схеме (слева) видно, что трубы нагреваются только с одной стороны (на половину), другая часть начинает остывать и к концу змейки вода совсем остывает. В этом и заключается главный минус такой системы. Но, она идеально подходит в помещениях, где одну часть комнаты нужно прогревать, а вторую часть желательно оставить прохладной или менее теплой.
Проблему неравномерного прогрева можно исправить, используя схему двойной змейки. Ниже (справа) показана ее схема.
Еще существует угловая змейка. Применяется, если стены, отходящие с обеих сторон от угла, выходят на улицу. Эти стены в холодный период времени остывают, поэтому рекомендуется вдоль этих стен устанавливать угловой вариант. Причем, нагревательная часть змейки будет проходить прямо у этих стен. Чем ближе к центру комнаты – тем меньше нагрев.
Посмотрите видео, в котором установщик теплых полов укладывает теплоноситель по схеме «змейка». В конце виде кратко рассказывается о подключении змейки к насосу и распределителю.
Водяной теплый пол своими руками. Часть 2. Монтаж труб
Улитка
Данный вид пола – спираль, отсюда и название «Улитка». По сравнению со змейкой, он более эффективен по нагреву помещения. Тепло распределяется равномерно.
Укладка начинается с края комнаты, проходит вдоль стен и доходит до центра, затем разворот и продолжение от центра к краю. Шаг при такой укладке – от 1 см. Чаще всего применяют шаг в 2-3 см.
Если помещение большое, не стоит растягивать улитку, так как обогрев комнаты будет неэффективным. Лучше улитку разделить на 3 разных контура, как показано на рисунке ниже:
Более наглядный монтаж улитки показан в видео. Мастер пошагово укладывает трубы. Дает полезные советы, которые упрощают укладку пола. На 1 комнату используют несколько улиток для более качественного обогрева помещения.
Водяной Тёплый Пол, монтаж
Комбинированная схема раскладки
При такой установке теплого пола используют змейку и улитку вместе. Например, дано помещение из 4 комнат. Самые большие из них – будут улиткой. Те, что поменьше – змейкой.
Можно в одной из комнат сделать 2 витка змейки, а далее продолжить улиткой. Т.е. происходит совмещение схем в 1 комнате.
Ниже представлена схема комбинированной укладки:
Такой метод рекомендуется использовать только опытным специалистам, а не просто для «разнообразия»
Важно рассчитать грамотно распределение тепла по помещению и комнатам, продумать, где должны быть холодные зоны (места, где будет стоять мебель). Если в комбинировании нет необходимости, то его не применяют
Предлагаем посмотреть полезное видео. Мастер на схеме показывает принцип укладки комбинированной системы пола (змейка + улитка). Для примера задействовано помещение из 4-х комнат отдельного назначения (кухня, спальня и т.д.).
3 Как сделать схему раскладки контура теплого пола
Грамотно выбираем материалы
Теплые водяные полы заливаются стяжкой, а это значит, что их планируется эксплуатировать не годами, а десятилетиями.
С учетом длительного срока использования к выбору материалов следует подходить ответственно: исключить дешевую и неликвидную продукцию, отобрать качественные трубы, утеплитель, крепежи с максимальным сроком службы.
№1 — подбираем оптимальный вариант труб
Сейчас используются два вида труб — PE-X и PERT, оба изготовлены из сшитого полиэтилена. Преимущество у изделий PE-Xa, так как благодаря 85-процентной плотности сшивки они обладают эффектом памяти.
Полезный эффект заключается в том, что растянутые теплоносителем с высокой температурой или деформированные трубы всегда возвращаются в изначальное положение.
PE-Xa трубы вместе с аксиальными фитингами можно смело замуровывать в цемент, тогда как альтернативные изделия PERT с цанговыми фитингами следует оставлять в открытом доступе
Применение труб PERT оправдано, если в стяжке будут находиться цельные отрезки, а фитинги установлены только для крепления к коллектору.
Опытные строители не рекомендуют применять композитные трубы с алюминиевой фольгой – всегда существует риск отслоения металлизированного слоя. Если нужна максимальная надежность и изолированность, то лучше использовать продукцию с усилением из поливинилэтилена, расположенным внутри изделий.
Для водяных полов применяют три стандартных типоразмера изделий: Ø 16 мм, 17 и 20 мм с толщиной стенки 2 мм. Диаметр указан на маркировке, нанесенной по всей длине трубы
Строительные компании обычно работают с проверенными производителями, отвечающими за эксплуатационные качества своей продукции. Хорошо себя зарекомендовала продукция раскрученных марок Rehau и Valtec, а также менее известных Tece, KAN, Uponor.
№2 — определяемся с утеплителем
Основное назначение утеплителя – отделить стяжку с трубами от основания, чтобы отдача тепла проводилась вверх, а не уходила напрасно в землю. Теплоизоляционный слой обязателен, без него монтаж теплого пола теряет смысл.
Сейчас применяют два вида подложки, так как остальные проигрывают им по всем показателям. Это экструдированный пенополистирол в виде плит и профильные маты из пенополистирола с монтажными выступами.
Экструдированный полистирол популярен благодаря механической прочности и низкой теплопроводности
Он практически не пропускает влагу, что важно для бассейнов, санузлов, бань. Плиты ЭППС удобны для монтажа и имеют стандартные размеры: 600*1250 мм, 500*1000 мм
Толщина – от 20 до 100 мм, выбор ее зависит от необходимой степени утепления. Благодаря крепежным боковым пазам на стыках соседних плит не возникают зазоры
Плиты ЭППС удобны для монтажа и имеют стандартные размеры: 600*1250 мм, 500*1000 мм. Толщина – от 20 до 100 мм, выбор ее зависит от необходимой степени утепления. Благодаря крепежным боковым пазам на стыках соседних плит не возникают зазоры.
Профильные маты значительно облегчают укладку труб, однако многие отказываются от их покупки по причине высокой стоимости, особенно известных брендов. Толщина листов меньше, чем у ЭППС – 1-3 мм
Как определить необходимую толщину утеплителя? Все зависит от условий укладки в конкретном частном доме: на грунт кладут 10-сантиметровые плиты, над подвалом или цоколем достаточно 5 см, а если внизу расположено отапливаемое помещение, то достаточно 3-сантиметровой теплоизоляции.
Для крепления плит к полу используют тарельчатые дюбели, а для фиксации труб – гарпун-скобы. Расстояние между соседними скобами – от 30 см до полуметра, в местах поворотов трубы – 10 см.
№3 — покупаем комплектующие для коллектора
Центр распределения теплоносителя и пункт контроля функционирования теплого пола – коллекторно-смесительный узел. С его помощью направляют горячую воду из магистрали в отдельные контуры, следят за расходом теплоносителя, регулируют температуру.
В сборе коллекторы не продаются, так как каждая система имеет свои особенности. Покупку комплектующих лучше поручить специалистам, а для самостоятельного приобретения следует помнить обо всех необходимых элементах:
Место установки часто зависит от нюансов обслуживания: одним удобнее выполнять регулировку ВТП в котельной, вместе с котлом, другим – из коридора. Теоретически коллекторный шкаф можно установить в любой комнате дома, но желательно, чтобы длина всех контуров была примерно одинаковой.































































