Виды однолинейных электрических схем
Существуют два основных класса схем, проектирующихся на разных этапах реализации проекта. Для создания ОСЭ требуется знать ключевые характеристики каждого типа.
Расчетная схема
Однолинейная расчетная схема щита ЩР (электроснабжение детсада)
Проектируется на этапе разработки документов по реализуемому проекту. Здесь проводится расчет характеристик системы и требуемых нагрузок. Расчетные документы могут включать в себя:
- схематическую репрезентацию структуры;
- схему функций;
- монтажную электросхему;
- чертежные документы;
- схему пожарной безопасности.
Схема структуры электрооборудования показывает силовые элементы (точки врезки, линии передач, трансформаторные компоненты и другие) и коммуникации между ними. Схема функций создается для демонстрации работы механизмов, взаимодействующих с электросетью, и их влияния на безопасность объекта. Обычно она применяется для помещений производственного назначения, имеющих дело с обилием разнородного оборудования. Монтажный проект требует согласования с архитектурно-конструкторскими решениями и строгого указания диаметров проводов и габаритов оборудования.
Исполнительная схема
Исполнительная однолинейная схема электрощита дома
Создается, когда помещение уже подвергалось эксплуатации на протяжении некоторого времени. Требуется графически отобразить модификации, которые планируется внести в структуру сети. Документ подготавливается при проведении замены или модификации имеющегося технического оборудования. Исполнительная схема предоставляет информацию:
- о состоянии электросети в настоящее время;
- об электроприборах, входящих в ее состав;
- советы по ликвидации неполадок, обнаруженных в процессе проведения техосмотров и других мероприятий.
Если надо сделать схему предприятия, многоквартирного дома или иного объекта с несколькими уровнями снабжения, ее делают для каждого уровня: например, для всего завода, цехового подразделения и его отдельного участка. Сначала делается изображение КТП и соединяющих их сетей, потом чертежи для отдельной КТП или распределительного электрощита, и наконец – всех отдельных щитков, представленных в помещении.
Для чего нужны однолинейные схемы щитов
Однолинейная схема щитка – важный этап на пути электрификации любого помещения. С помощью щита впоследствии будет осуществляться распределение токов в цепи и управление всеми электрическими потребителями, расположенными внутри здания. В жилых домах могут устанавливаться отдельные или общие щиты для управления только линией освещения, но будут контролировать не только внутредомовые осветительные приборы, но и внешние, к примеру, фонари на территории дачного участка. Подобные щитки могут быть рассчитаны и установлены отдельно и соединяться с общей линией электроснабжения через вводно-распределительные устройства.
От щитка электрический ток распределяется по отдельным линиям потребления и отдельным потребителям. Функционирование всех отдельных устройств внутри одной линии электроснабжения контролируется специальные приборами, размещенными внутри щитка.
Щитки используются во всех типах зданий – жилые дома и квартиры, предприятия, офисы и магазины, они должны напрямую соединяться с ВРУ. Правильно укомплектованный и установленный щиток, может эффективно распределять электрический ток по всем помещениям, вести учет потребления энергии и защищать всю электрическую систему от сбоев, коротких замыканий и перепадов напряжения. Защитные функции в щитках выполняют специальные автоматы, которые обесточивают сеть, при возникновении скачков напряжения или других неполадок на линии. В целях безопасности, рекомендуется использовать по одному автоматическому выключателю на каждую линии потребителей.
Ниже вы можете воспользоваться онлайн-калькулятором для рассчёта стоимости проектирования сетей электроснабжения:
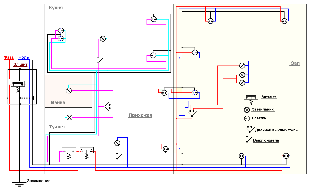
Схема проводки для частного дома
Дом в частном секторе чаще всего питается от сети 220V. Однако 3 фазы в частный дом — оптимальный вариант, если здание двухэтажное или еще выше, а также при наличии электрических плит, водонагревательных котлов, сварочных аппаратов, техники на электроприводе. Благодаря трехфазному электроснабжению получится снизить номиналы защитных устройств и перестраховаться от перекоса фаз.
Типичная схема трехфазной электропроводки в частном доме состоит из внешней, или пусковой, а также внутренней части. Сеть ведется к дому по воздушным ЛЭП 380V, во избежание провисания и обрыва провода расстояние от столба до дома не превышает 15 метров. Чтобы не создавать помех движению, провод натягивают на высоте от 2,7 метров. Далее с опоры проходит в щиток вводный, который расположен на внешней стене дома. Прокладывать провода по воздуху относительно просто и менее затратно.
Вводное устройство размещают на расстоянии не менее метра от труб. В щит заводят трехполюсный АВ и электросчетчик. Корпус щитовой подсоединяют к заземляющему контуру. Оболочка уличного щитка должна отвечать повышенным требованиям защиты от пыли и влаги: IP54 и выше. При составлении схемы продумываем все детали, основываясь на этажности и площади здания, количестве и мощности потребителей (как трехфазных, так и однофазных) и необходимости резервного питания. В обязательном порядке нумеруем фазу с подключенным потребителем.
Примерная схема трехфазного электрощита выглядит так:
Принципы проектирования однолинейной схемы электроснабжения
При разработке и оформлении исполнительной документации необходимо выполнять требования к подобным документам, отражённым в нормативной литературе, а также ПТЭЭП и ПУЭ («Правила устройства электроустановок»).
Что должна включать однолинейная схема электроснабжения
На однолинейных схемах электроснабжения должна быть отражена следующая информация, а именно:
граница зоны ответственности организации, поставляющей электрическую энергию, и её потребителя;
Отображение зоны балансовой принадлежности на схеме электроснабжения объекта
вводно-распределительные устройства (ВРУ) или ГРЩ, а также трансформаторные подстанции, стоящие на балансе потребителя с отображением устройств АВР (автоматическое включение резерва), если таковые имеются;
- приборы учёта электрической энергии с указанием коэффициента трансформации трансформаторов тока при использовании счётчиков, работающих на вторичном токе в 5Ампер;
- информация обо всех имеющихся на объекте распределительных шкафах как силового оборудования, так и системы освещения;
- длины магистральных электрических линий с указанием марки кабелей, проводов и способов их прокладки;
- технические параметры и состояние в рабочем положении всех устройств автоматического отключения, к которым относятся автоматические выключатели, УЗО и предохранители;
- данные обо всех электрических нагрузках, подключаемых к отображаемому на схеме оборудованию, с указанием их мощности, тока и cos ϕ.
Вариант выполнения расчётной однолинейной схемы электроснабжения административного здания
Читать также: Магнитный угольник для сварки своими руками
Этапы проектирования
Наличие однолинейной схемы электроснабжения является обязательным условием для получения разрешения на подключение объекта строительства к сетям электроснабжающей организации, поэтому прежде, чем приступать к её разработке, необходимо запросить технические условия.
В связи с этим все работы по проектированию схемы электроснабжения можно разбить на несколько этапов:
- Запрос и получение технических условий;
- Разработка однолинейной схемы электроснабжения на основании полученных документов;
- Согласование разработанной документации в организации, выдавшей технические условия.
Вариант оформления технических условий на электроснабжение
Правила оформления, требования ГОСТов
При оформлении однолинейной схемы электроснабжения необходимо соблюдать требования ГОСТов, регламентирующих этот процесс, а именно:
- ГОСТ 2.709-89 «Единая система конструкторской документации (ЕСКД). Обозначения условные проводов и контактных соединений электрических элементов, оборудования и участков цепей в электрических схемах»;
- ГОСТ 2.755-87 «Единая система конструкторской документации (ЕСКД). Обозначения условные графические в электрических схемах. Устройства коммутационные и контактные соединения»;
- ГОСТ 2.721-74 «Единая система конструкторской документации (ЕСКД). Обозначения условные графические в схемах. Обозначения общего применения (с Изменениями №№ 1, 2, 3, 4)»;
- ГОСТ 2.710-81 «Единая система конструкторской документации (ЕСКД). Обозначения буквенно-цифровые в электрических схемах (с Изменением № 1)».
Вариант оформления однолинейной схемы электроснабжения в соответствии с данными ГОСТами приведён наследующем рисунке.
Расчётная однолинейная схема электроснабжения жилого дома
Условные обозначения, используемые при составлении однолинейных схем
Все элементы системы электроснабжения отображаются на схеме в виде графических изображений, которые регламентированы нормативной литературой, указанной в предыдущем разделе статьи. Электрические коробки и шкафы различного назначения изображаются следующим образом.
Электроустановочные изделия (розетки и выключатели), в зависимости от конструкции и типа исполнения, отображаются вот так
Приборы электрического освещения изображаются следующим образом
Силовые трансформаторы и трансформаторы тока изображаются так
Электроизмерительные приборы имеют следующий вид на схемах электроснабжения, в соответствии с ГОСТ
Пересечение электрических линий и места соединения электропроводки, а также заземление выглядят следующим образом
Коммутационные устройства (автоматические выключатели и пускатели, короткозамыкатели и отделители, а также прочие аппараты) изображаются так
Для того чтобы узнать, как правильно оформить исполнительную документацию, необходимо изучить все требования ГОСТов или воспользоваться специальной компьютерной программой, которая учтёт все эти требования в автоматическом режиме при её использовании
Назначение каждой электросхемы
Структурная
Этот тип документа является наиболее простым и дает понимание о том, как работает электроустановка и из чего она состоит. Графическое изображение всех элементов цепи позволяет изначально увидеть общую картину, чтобы переходить к более сложному процессу подключения или же ремонта. Порядок чтения обозначается стрелочками и поясняющими надписями, что позволяет разобраться в структурной электрической схеме даже начинающему электрику. Принцип построения Вы можете увидеть на примере ниже:
Функциональная
Функциональная электросхема установки, по сути, не слишком отличается от структурной. Единственное отличие – более подробное описание всех составляющих узлов цепи. Выглядит этот документ следующим образом:

Принципиальная
Принципиальная электрическая схема чаще всего применяется в распределительных сетях, т.к. дает самое раскрытое пояснение о том, как работает рассматриваемое электрооборудование. На таком чертеже должны обязательно быть указаны все функциональные узлы цепи и вид связи между ними. В свою очередь, принципиальная электросхема может иметь две разновидности: однолинейная или полная. В первом случае на чертеже изображают только первичные сети, называемые также силовыми. Пример однолинейного изображения Вы можете увидеть ниже:
Полная принципиальная схема может быть развернутой или элементной. Если электроустановка несложная и на один главный чертеж можно нанести все пояснения, достаточно сделать развернутый план. Если же Вы имеете дело со сложной аппаратурой, которая имеет в составе цепь управления, автоматизации и измерения, лучше разнести все отдельные узлы на разные листы, чтобы не запутаться.

Существует также принципиальная электросхема изделия. Этот тип документа представляет собой своеобразную выкопировку из общего плана, на которой обозначено только, как работает и из чего состоит определенный узел.
Монтажная
Эту разновидность электрических схем мы чаще всего используем на сайте, когда рассказываем о том, как самостоятельно выполнить монтаж электропроводки. Дело в том, что на монтажной электросхеме можно показать точное расположение всех элементов цепи, способ их соединения, а также буквенно-цифровые характеристики составляющих чертеж установок. Если взять за пример схему электропроводки в однокомнатной квартире, на ней мы увидим, где нужно размещать розетки, выключатели, светильники и остальные изделия.

Основное назначение монтажной схемы – руководство для проведения электромонтажных работ. Согласно подготовленному чертежу можно понять, где, что и как нужно подключать.
Кстати, монтажной также считается электросхема соединений, которая предназначена для подключения электрооборудования, а также соединения установок между собой в пределах одной цепи. При подключении бытовой техники руководствуются именно монтажной схемой.
Объединенная
Ну и последней из применяемых в распределительных сетях электросхемой является объединенная, которая может включать в себя несколько видов и типов документов. Ее используют в том случае, если можно без сильного нагромождения чертежа обозначить все важные особенности цепи. Используют объединенный проект чаще всего на предприятиях. Домашним мастерам такой тип схемы вряд ли может встретиться. Пример Вы можете увидеть ниже:
Существует также схема кабельных трасс, которая представляет собой упрощенный план прокладки кабельной линии к распределительным пунктам и трансформаторным подстанциям. Ее назначение аналогично монтажной электросхеме – с помощью данного документа монтажники руководствуются как вести линию от точки А к точке Б.
Напоследок рекомендуем просмотреть полезное видео по теме:
Вот мы и рассмотрели основные виды и типы электрических схем, а также их назначение и характеристики. Зная условные обозначения и имея под рукой всю нужную документацию совсем не сложно разобраться в том, как работает та или иная установка.
Будет интересно прочитать:
Особенности электроснабжения
А если хочется — то можно наоборот, привести обычный лист А4 к размерам х метров и чертить на нём какой-нибудь план футбольного стадиона или чего-то огромного. Если нажать на эту полоску — то открывается группа, которая под ней спрятана.
Работа в Rapsodie существенно ускоряет процесс компоновки шкафа. А это — зверство с проектом стапеля для сборки щитов на него ушло около часа — это большое время по меркам Visio : Рисунок сделан из кучи сгруппированных блоков:крепления, одна панель щита с двумя несущими профилями. Поэтому в ней можно создавать графические элементы для вставки в текстовые документы.
Для работы Вы можете использовать только мышку, разработать и распечатать схему электрического щитка и этикетки с обозначениями элементов схемы для щитка. Это нужно, когда мы хотим отрисовать сложный объект.
Также есть возможность создавать персональный каталог из устройств, которых нет в базе данных программы. Кстати, что это за точечка и квадратики вокруг фигуры? Этапы проектирования Особенности электроснабжения Значение линейной схемы трудно переоценить. Помогают они оценить и общую безопасность. Ну, блин, нарисуйте блок-схему на куске бумажки, если не умеете рисовать. Все эти настройки тыкаются или кнопками на панели инструментов, или через контекстное меню по правой кнопке: Можно выписать вот так: Текст — отвечает за параметры шрифта, которым на фигуре что-то пишется. Обозначения условные графические в электрических схемах.
Программы для рисования электрических схем
А это не всегда получится: некоторые фигуры сразу ставятся размерами кратко текущему масштабу документа и потом эти размеры нельзя поменять. Заставил нарисовать блок-схему на листке бумаги. А чтобы правильно на схеме их обозначить, необходимо изучить ГОСТ.
Здесь я нарисовал элементы электропроводки: А здесь нарисовал трассы кабелей электропроводки, не меняя фона. Для более удобного использования в плане применения однолинейная схема электроснабжения может быть двух видов: исполнительная; расчётная. Так как в них шикарный интерфейс, есть все функции и электрические обозначения. Первый вид проектируется при наличие действующих электрических систем. Всё, чего нет — можно напрограммировать.
Для создания документа на компьютере необходимо программное обеспечение — графический редактор, который преобразует манипуляции пользователя ПК на устройстве ввода информации в чертеж
Важно помнить, что при необходимости расчетная часть исполнительной однолинейной схемы может быть увеличены в несколько раз. Такой вариант крайне удобен в использовании даже для непрофессионала, одновременно являясь функциональным и эффективным
В этих единицах Visio будет показывать вам все размеры. Проектирование электрощитов. Visio в помощь + Библиотека.
Безопасность электросетей
Обеспечение безопасности пользования электричеством – задача, пожалуй, более важная, чем даже само электроснабжение. Опасность электричества состоит в его токопоражающей способности по отношению к человеку и в пожароопасности – вследствие экстремального нагрева проводов при коротком замыкании.
Тема эта довольно обширна. Что же касается схемы электроснабжения, то главное в ее устройстве – именно обеспечить безопасность эксплуатации электросети.
Что касается безопасности человека, то схема электропроводки предусматривает ряд мер:
- Наличие электроизоляции на всех токоведущих частях
- Правильное расположение розеток
- Заземление всех необходимых элементов
- Недоступность большинства электроузлов для случайного контакта
- Повышенная защита сетей в детских комнатах
- Применение специальных мер для защиты во влажных помещениях
8. Монтаж электросети по схеме подключения
Монтаж электричества должен проводиться строго по схеме и с использованием указанных в ней материалов. Ни в коем случае нельзя ставить не соответствующие схеме автоматы. Нельзя произвольно занижать сечение проводов. Нельзя беззаботно относиться к местам соединения проводов.
Зачастую горе-мастера просто скручивают два или несколько проводов, не заботясь о том, что неплотное соединение – это места перегрева проводов, места искрения. Недопустимо скручивание проводов из разного металла, например, алюминиевого и медного. Все соединения должны осуществляться в специальных соединительных коробках.
Проведение проводов на изгибах возможно только под прямым углом, иначе будет невозможно определить, где находится скрытый от глаз провод, если вдруг придется сверлить стену.
Укладка проводов должны быть строго горизонтальна или вертикальна
Таких правил много, подробнее о них мы расскажем в других статьях.
В чем нарисовать однолинейную электрическую схему
Программ для черчения на компьютере (да, да электрические схемы не рисуют, а чертят!) много. Но все они как правило сложны в освоении, если Вы не занимаетесь этим профессионально. Однако я нашел несколько легких для использования обыкновенным человеком.
Программа 1-2-3 схема
Программное обеспечение компании HAGER 1-2-3-схема, Semiolog и hLsys Lume распространяются бесплатно. Скачивать можно и нужно с официального сайта http://www.hagersystems.ru/software/. А не искать ее на файлопомойках и мусоросборках. Программа на русском языке.
в автоматическом режиме сформировать однолинейную схему щита
Пример щита в сборе с маркировками групп потребителей, сделанных в программе Semiolog.
Программа XL Pro² от Legrand
- подобрать оборудование Legrand из предложенного перечня, необходимое для сборки шкафа;
- с помощью однолинейной схемы.
Программа автоматически определит тип комплектного устройства, рассчитает его стоимость, выполнит размещение оборудования. XL Pro² автоматически вносит все изменения, что максимально упрощает проектирование и расчет различных типов шкафов. Программа XL Pro распространяется бесплатно и доступна для загрузки зарегистрированными пользователями Extranet.
ПРОГРАММА XL PRO³
Программа XL Pro³ упрощает проектирование низковольтных комплектных устройств (НКУ). Программа позволяет конструкторам НКУ проектировать распределительные шкафы и щитки производства Legrand на токи до 6300 А двумя методами:
- подобрать оборудование Legrand из предложенного перечня, необходимое для сборки шкафа;
- с помощью однолинейной схемы.
Программа автоматически определит тип комплектного устройства, рассчитает его стоимость, выполнит размещение оборудования. XL Pro³ автоматически вносит все изменения, что максимально упрощает проектирование и расчет различных типов шкафов. Скачать программу можно на официальном сайте — http://www.legrand.ru/ru/scripts/ru/publigen/content/templates/previewMultiPhoto.asp?P=1715&L=EN
Rapsodie — Компоновка распределительных щитов
schneider-electric
- Rapsodie предназначена для компоновки шкафов НН серий Prisma Plus, Pragma и Kaedra.
- Работа в Rapsodie существенно ускоряет процесс компоновки шкафа.
- В результате работы с программой пользователь может получить: внешний вид шкафа и полную сборочную спецификацию, а также подробный расчет стоимости проекта.
- База данных программы содержит устройства Schneider Electric, пользователь может автоматически подобрать к ним дополнительные аксессуары. Также есть возможность создавать персональный каталог из устройств, которых нет в базе данных программы.
- Rapsodie также позволяет подобрать отобразить топологию однолинейной схемы для корректного подбора распределительных устройств и монтажных аксессуаров.
- В программе есть режим автоматического подбора ячейки нужной конфигурации с учетом ранее заданных критериев.
- Программа имеет привлекательный и интуитивно понятный русскоязычный интерфейс, документация выдается в виде файлов распространенных форматов (*.txt, *.xls, *.pdf, *.dxf).
Преимущества Rapsodie — это интеллектуальный инструмент для компоновки НКУ.
- Комфорт и прозрачность при работе в программе
- Автоматическая проверка совместимости устройств
- Быстрый доступ к результатам проектирования
- Печать или экспорт полноценной сопроводительной документации
Порядок монтажных работ
Вне зависимости от расположения узла учета, который может быть сделан на самом столбе или же на фасаде дома, необходимо провести ответвление от линии электропередачи и подвести кабель к дому. Выполняется это несколькими методами:
- воздушным способом;
- подземным способом.
На сегодняшний день более популярным является подключение посредством подземного способа. Это обуславливается весомым преимуществом такого способа – отсутствие висящего провода, который идет от столба к дому. Однако стоимость монтажных работ при таком методе гораздо дороже, нежели подключение воздушным способом. Подключение электричества к дому от столба схема помогает увидеть значительные отличия этих двух способов.
Для подключения электричества к дому необходимо использовать кабель марки СИП 4 сечением 16 кв. мм. Этот кабель отличается устойчивостью к воздействию УФА лучей и обладает длительным сроком эксплуатации, который составляет более двадцати пяти лет. Благодаря этому, с момента появления этого кабеля, именно его активно используют для подключения дома к электросети. При этом исходя из того, сколько подключается фаз, подойдет кабель с двумя и четырьмя жилами. На доме кабель закрепляется таким образом, чтобы в зимнее время, на него не попадал снег, который скатывается с кровли. Монтаж кабеля выполняется посредством специально созданной для этого фурнитуры и, как правило, не отнимает много времени. Если монтаж кабеля выполняется воздушным способом, то следует использовать кабель СИП с сечением не меньше шестнадцати мм кв.
Особенности подключения по воздуху
При подключении электричества от столба, который находится на расстоянии больше, чем 25 метров, при воздушном методе, необходимо устанавливать на его пути дополнительную опору. При монтаже дополнительной опоры, кабель между столбом, опорой и домом должен быть на высоте не меньше, чем шесть метров. При этом точка подключения на постройке должна устанавливаться выше отметки в 2,75 метра.
Осуществлять ввод алюминиевого провода внутрь дома категорически запрещается. Это регламентируется специальным документом, в котором указано, что алюминиевый кабель нельзя проводить в сгораемые конструкции. Вследствие этого, для того чтобы завести провод в дом, необходимо перейти с кабеля СИП на кабель ВВГ нг. Этот вид кабеля допускается применять как для организации обычной проводки внутри дома, так и по воздуху. Проход кабеля через стену дома должен быть сделать с помощью металлической гильзы с толщиной стенки не меньше чем 3, 2 миллиметра. Это необходимо с целью защиты провода от различного рода повреждений, в том числе и при усадке строения.
Особенности подключение электричества к дому под землей
Подключая дом к электросети с помощью подземного способа, следует использовать медный или алюминиевый кабель. Более качественным является медный кабель, он отличается более длительным эксплуатационным сроком, однако, и цена такого материала будет гораздо выше. При использовании медного кабеля он должен быть марки ВВГ с сечением не менее 10 мм. кв. Если же планируется использование алюминиевого кабеля, то наиболее подходящим является кабель марки АВБбШв с сечением не менее 16 мм. кв. Для укладки кабеля под землей – это обязательно должна быть бронированная марка провода. Монтаж кабеля в земле следует осуществлять таким образом, чтобы со стороны входа и выхода он был помещен в трубу из металла, которая должна иметь форму буквы Г.
При этом до конца от места изгиба в совокупности труба должна обладать высотой не меньше, чем два с половиной метра. Кроме того, труба должна выходить на поверхность из земли на высоту более чем 1,8 метра. Если часть кабеля под землей остается не защищенной трубой, ее необходимо защитить с помощью двухстенной ПНД гофры. Укладка кабеля в земле осуществляется на глубине от 0, 6 до 0, 8 метра. При этом сам провод укладывается именно на эту глубину. Проводить кабель в дом необходимо также через металлическую гильзу. Кабель нельзя укладывать под фундаментом дома.
Следует помнить, что при подключении электроэнергии к дому и при воздушном способе и при подземном, является достаточно сложным процессом, который требует соблюдение всех норм и стандартов, а также особой внимательности в работе. Поэтому, желательно доверять выполнение такой работы профессионалам, имеющим большой опыт работы.
Как выполнить однолинейную схему
Электрическая однолинейная схема электроснабжения квартиры, дома, частного предприятия выполняется по требованиям ГОСТ 2.702-75. Согласно нормам, у Вас должно получится изображение 3 фаз, питающих сеть конкретного помещения и линии групповых сетей, которые отходят от питающих. При этом схему не нужно подробно детализировать, основная её цель – давать представление про общую конструкцию системы электрического снабжения.
Фото — Принципиальная схема подстанции
Именно благодаря такой подаче информации, в итоге получается достаточно простой чертеж, четко передающий основные параметры сети питания. Многие начинающие электрики могут усомниться в эффективности таких чертежей, ведь кажется, что непонятно, как их отобразить тогда трехфазное или двухфазное питание.
Все очень просто: возле линии, которая определяет многофазное питание ставится цифра и перечеркнутый штрих, как на фото ниже. Цифра в такой схеме отвечает за определение количества фаз, а перечеркнутая косыми отрезками линия – это определение фазы.
Помимо отображения отдельных проводов, также важно изобразить на чертеже дополнительные детали электрической схемы. Для обозначения УЗО квартиры, контакторов, выключателей и прочих дополнительных элементов, Вам также нужно ознакомиться с ГОСТ 2.709, который предоставляется как в ПДФ, так и обычным текстом
В этом документе указываются общепринятые варианты черчения подобных элементов.
Рассмотрим пример однолинейной схемы квартиры (также можно использовать для электроснабжения дома):
Фото — пример однолинейной схемы
Для защиты групповых линий от перегрузки и общей цепи помещения от электрического замыкания, используются автоматические выключатели. Их, в свою очередь, на чертеже «подстраховывают» устройства сверхтоков. В схему в обязательном порядке нужно включить не только основные её составляющие (кабеля ввода, заземления, УЗО), но и розетки, выключатели света в комнатах.
На чертеже выше Вы можете обратить внимание, что возле перечеркнутых линий косыми штрихами нет цифр. Вместо них используется определение фазы по количеству штрихов
Если на схеме показано 2 штриха – то питание двухфазное, если 3 – то, соответственно, трехфазное. Но при этом однофазная проводка обозначается одной линией с одним штрихом.
Такое подключение отлично демонстрирует однолинейная схема трансформатора КТП:
Фото — однолинейная схема трансформатора ктп
Примеры того, что должна включать однолинейная типовая схема электроснабжения поликлиники, квартиры, загородного или дачного дома, завода или прочих помещений:
- Точку, где объект подключается к электрической сети;
- Все ВРУ (вводно-распределительные устройства);
- Точку и марку прибора, который используется для подключения помещения (в большинстве случаев, нужны также параметры щита);
- Нужно не только начертить кабель питания, но и отметить на схеме его сечение и марку, иногда мастера помечают номинал;
- Проект должен содержать данные про номинальные и максимальные токи оборудования, которое используется на объекте.
Еще очень важно использовать примерные расчетные нагрузки, которые могут стать максимальными для определенной сети электропитания (АТС) Вашего поселка, города. Правила выполнения могут варьироваться в зависимости от требования к конкретным помещениям
Вы должны уделять внимание любой мелочи, ведь основные требования к проекту выдвигаются снабжающей электричеством компанией. Именно однолинейная схема электроснабжения предприятия, дома, цеха является основополагающим документом согласно ГОСТ, который отвечает за эксплуатационные ответственности разных сторон
В особенности она необходима для подключения к локальной сети дома с АВР:
Фото — дом с авр
Чтобы бесплатно разработать однолинейную схему электроснабжения детского учреждения, частных построек (гаражей, домов, квартир, киосков), многоэтажного жилого здания, завода (СНТ), вахтовых вагонов, Вам понадобится ЕСКД. ЕСКД – это Единая система конструкторской документации.

Дома однолинейная схема электроснабжения чертится вручную или при помощи AutoCAD (чертёжная программа). Данный софт поможет разработать проект для любого объекта (офиса, торгового павильона, подстанции, школы, магазина, коттеджа, НПС) и потребителей.
Как шаблон, представляем однолинейную схема ЗРУ-10 кВ, к слову, по её аналогии разрабатывается схема ИБП АББМ:
Фото — однолинейная схема ЗРУ 10 кВт
Для разработки схемы при помощи специалистов, Вам нужно будет обратиться в конструкторское бюро своего города. Такие учреждения есть в Белгороде, Москве, Санкт-Петербурге и других крупных и средних населенных пунктах.
Источник
Однолинейная схема электроснабжения
Чтобы осуществить подключение к электросетям, необходимо выполнить множество предварительных работ. Причем эти работы выполняются заявителем самостоятельно. Речь идет обо всех мероприятиях, необходимых для технологического подключения, осуществляемых в пределах территории (фактических границ) подключаемого участка. Большую часть времени на выполнение всех этих мероприятий занимают проектные работы, то есть составление, оформление и согласование проекта электроснабжения.
Среди прочего, в сетевую организацию необходимо предоставить однолинейную схема электроснабжения, с указанными на ней точками подключения к электрическому оборудованию сетевой организации. Кроме этого, данная схема потребуется специалистам строительной компании, которые будут непосредственно выполнять данные работы.
Однолинейная схема обязательно должна присутствовать среди прочих документов, при условии, что максимальная мощность всех энергопринимающих устройств на объекте не превышает 15 кВт. Если мощность больше, в сетевую компанию предоставляют полноценный проект электрики (см. страницу Проектирование электроснабжения).















































































