Технология работы
Большинство подобных приборов действует на электромагнитных импульсах. В целом, принцип работы металлоискателей «Пират», равно как и иных подобных моделей, можно описать следующим образом:
• Устройство создаёт в радиусе своего действия мощное электромагнитное поле.
• Объект из металла, который находится незаметно для глаз человека, при попадании под влияние такого поля начинает оказывать на него мощное воздействие.
• Прибор реагирует на оказываемое стороннее воздействие и выдает соответствующие ответные сигналы.
Большинство современных моделей металлоискателей устроены именно на данном принципе работы, который в целом можно назвать одним из наиболее эффективных при поисках металлов и предметов из них.
Но между разными аппаратами есть и существенные отличия. Технические возможности некоторых моделей позволяют искателю получать более полную картину о своей находке, которая попала в сферу влияния электромагнитного поля, исходящего от аппаратуры.
Так, металлоискатели дополнительно могут :
С приблизительной точностью оценивать массу.
Выдавать ориентировочные сведения о габаритных размерах и форме потенциальной находки.
Более точно оценивать место расположения и глубину залегания объекта под грунтом.
Выдавать сведения о том, объект из какого именно металла вероятнее всего попал в зону влияния.
В Интернете существует множество сведений о приборах различного уровня, особенностях их конструкции, а также самостоятельной сборке.
Наиболее простой и примитивный металлоискатель часто представляет собой самостоятельно собранную конструкцию, предназначенную для поиска различных видов металлов. Они обираются из готовых отдельных деталей, и работают на основе их электромагнитных импульсов.
Любители техники и радиоэлектроники возможно слышали об очень простой, однако показывающей неплохие результаты схеме металлоискателя. Согласно этой схеме, электромагнитное поле образует эффект импульса, схожий с небольшим калькулятором.
Реакцию, которая происходит при влиянии металлических объектов на электромагнитное поле можно с легкостью улавливать даже с помощью обычного радиоприемника, который используется в быту. Сигнал о подобной находке – громкий, отчетливый и понятный звук.
Если же вести речь о более сложных приборах, предназначенных уже для использования на профессиональном уровне, то такие металлоискатели обычно состоят из трех основных узлов:
Генератор электромагнитного поля.
Датчик, на котором отражаются изменения в поле.
Оборудование для дополнительной оценки обнаруженных предметов и сигнализации.
Металлоискатели могут иметь различные функциональные возможности и уровень сложности использования. Одна из общепринятых классификаций таких приборов разделяет их именно по этим параметрам:
• Любительские металлоискатели. Такие приборы чаще всего собираются вручную и применяются теми, для кого поиски больше похожи на хобби и увлечение, чем на профессиональную деятельность.
• Полупрофессиональная аппаратура. Это уже приборы, приобретаемые в специальных магазинах. Без этого оборудования не обойтись тем, для кого поиск металла стал чем-то большим, чем простое увлечение.
• Профессиональные металлоискатели. Этот вариант – дорогостоящая техника высшего уровня, с наиболее широким функционалом дополнительных опций и возможностей. Предназначены для тех, кто работает в данной сфере на постоянной основе.
• Спецтехника, предназначенная для ведения поисковых работ в нестандартных условиях: на большой глубине залегания, или даже под водой. Сюда же относятся металлоискатели, предназначенные для поиска отдельных видов металла. Например – существуют отдельные приборы, настроенные конкретно под поиски золота.
Любительские и полупрофессиональные модели металлоискателей вполне возможно купить в любом магазине дачного и садового инвентаря, который есть практически в любом, даже небольшом городе.
Металлоискатели – не только те приборы, которые используются при поиске различных кладов, старинных монет и артефактов
Всем известные рамки, используемые в системах безопасности при проведении массовых мероприятий, в крупных торговых центрах и объектах особой важности – один из вариантов реализации схожей технологии. Однако настройки этих рамок могут быть скорректированы и направлены на поиск оружия, взрывчатых веществ и других потенциально опасных предметов
Рассмотрим подробнее составляющие детали металлоискателя.
Сборка и дизайн
Чтобы успешно собрать металлоискатель «Пират» своими руками из всех имеющихся деталей, необходимо следовать предлагаемому плану:
Изготовление платы «Пират» (в случае выбора самостоятельного изготовления)
Сборка электросхемы прибора
Установка и закрепление платы в корпус
Изготовление катушки металлоискателя «Пират», путем намотки кабеля
Изготовление штанги подходящей длины и формы, закрепление на нее катушки и электросхемы
Работы по соединению цепи электросхемы.
Хотя, никакой ключевой роли в работе будущего устройства, порядок его сборки совершенно не играет. Для всех, кто собирается длительное время применять собранный прибор с целями поиска цветных, черных, драгоценных металлов и изделий из них, наиболее важными являются другие факторы – функциональность при одновременной простоте и удобстве использования.
В такой ситуации основным фактором является соединение между собой элементов и узлов аппарата, а также длина и форма штанги, позволяющая повысить удобство использования. Таким образом, при создании металлоискателя, возникает определенный этап, на котором можно проявить дизайнерские способности.
Эту часть работ лучше всего проводить, применяя моделирование с масштабом 1 к 1. Это возможно осуществить на практике при помощи деталей из дерева, имеющих подходящую форму и размер, например, таких:
Черенок для лопаты
Куски фанеры подходящей формы
Обрезки других деревянных материалов
Временная крепежная конструкция, составленная из веревок и гвоздей.
Как только мастеру удалось скомпоновать функциональную и одновременную удобную для использования модель, можно начинать окончательную сборку и отладку. Такой аппарат в своем полностью готовом виде не требует дополнительных настроек. В таком случае, «Пират» полностью готов выполнять свои основные функции по поиску металла и предметов из него. Начать поиски можно, выбрав необходимый уровень чувствительности катушки и подходящую тактику управления ей во время похода.
Те сборщики, в приоритете которых не самостоятельное изготовление, а скорость сборки, могут воспользоваться полностью готовыми наборами запчастей. Это значительно ускорит процесс и позволит быстрее получить готовый к использованию прибор.
Те пользователи данной модели металлоискателя, которые обладают навыками в сфере техники и радиоэлектроники, могут провести глубокую модернизацию металлоискателя «Пират». Это может помочь значительно усовершенствовать и дополнительно улучшить конструкцию аппарата. Вот некоторые направления, по которым здесь можно проявить фантазию и технические навыки:
• Катушку для «Пирата» можно изготовить из различных материалов и с различными нестандартными параметрами. К примеру, можно использовать кабель типа «витая пара».
• Добавление дополнительных систем индикации, например, показа на дополнительном дисплее уровня оставшегося заряда аккумуляторной батареи
• Модернизация стандартных моделей и их адаптация для подводных поисков. В таком случае, аппарат точно сможет оправдать свое название.
• Дополнение металлоискателя функцией дискриминации. На практике это означает, что устройство, имеющее подобную опцию, станет способно отличать между собой различные типы металла, и выдавать более точную информацию пользователю.
Даже без добавления дополнительных опций, простой и надежный металлоискатель «Pirat» при правильной сборке сможет исправно работать даже в непростых условиях эксплуатации.
Начнем с механических конструкций глубинных рамок для металлоискателя.
Глубинные рамки небольших размеров, устанавливают на штангу как и обычную катушку, но есть ограничения по весу и габаритам. Поэтому такая конструкция подходит для рамок диаметром до 60-70см. Большая рамка становится слишком тяжелой и ее уже неудобно носить таким способом.
Каркас глубинной катушки для металлоискателя изготавливают из пластиковых труб, без использования металлических элементов. Трубу выбираете в зависимости от способа которым вы ее будит соединять, и в зависимости от размеров вашей рамки, чтобы труба обеспечивала достаточную жесткость конструкции!
Небольшие катушки обычно делают неразборными в форме кольца или квадрата.
Вот несколько фотографий таких рамок:
Для рамок больших размеров, неразборная конструкция, уже неудобна для транспортировки, да и носить на штанге такую рамку уже тяжело. Наиболее распространенным решением для больших рамок, это разборный квадратный каркас с накладной поисковой петлей или петлей пропущенной вовнутрь трубного каркаса.
В таком случае, каркас рамки изготавливается из пластиковых труб, а поисковая катушка мотается многожильным проводом в изоляции! ПРОВОД ДОЛЖЕН БЫТЬ ОБЯЗАТЕЛЬНО МНОГОЖИЛЬНЫМ, так как при разборке и транспортировке глубинной катушки, провод будит гнуться и одножильный провод в итоге может переломиться!
Такие рамки носят обычно вдвоем:
Но есть варианты конструкций глубинного металлоискателя для самостоятельной переноски:

Намотка глубинной рамки
Для намотки глубинных рамок рекомендуется использовать многожильный провод в изоляции, диаметром 0,5-0,75мм.
Таблица количества витков для глубинных рамок различного размера и их максимальная глубина обнаружения с металлоискателями ПИРАТ и Кощей 5И:
| 40*40см | 60*60см | 90*90см | 120*120см | 150*150см | |
| Количество витков | 19 | 16 | 13 | 11 | 10 |
| Дальность обнаружения каски с МД ПИРАТ | 0,8м | 0,9м | 1м | 1,1м | 1,25м |
| Максимальная дальность обнаружения с металлоискателем ПИРАТ | 1,7м | 2,3м | 2,6м | 3м | 3,5м |
| Дальность обнаружения каски с металлоискателем Кощей 5ИГ | 1м | 1,2м | 1,25м | 1,5м | 1,6м |
| Максимальная дальность обнаружения с металлоискателем Кощей 5ИГ | 2,3м | 3м | 3,5м | 4м | 5м |
Желательно после намотки рамки, витки стянуть между собой изолентой или скотчем, это уменьшит межвитковую емкость и сделает петлю более прочной. Провод от рамки к электронному блоку можно изготовить из того же провода, которым и намотана рамка, свив его с шагом 1 виток на 1 см. А затем обжать термоусадочной трубкой или замотать изолентой.
Вот так можно легко изготовить глубинную рамку для импульсного металлоискателя, и получить полноценный глубинный металлоискатель не уступающий по глубине фирменным металлодетекторам.
Ответы на 5 часто задаваемых вопросов о пайке плат
- Сколько времени нужно держать паяльник для надежной фиксации? – 3-4 секунд достаточно.
- Припоя много нужно добавлять? – Главное – покрыть им полностью контакт. Если капля это сделает, то такого количества хватит.
- Каким цветом должна быть пайка – блестящая или матовая? – Ближе к первому варианту.
- Нужно применять средства защиты? – Обязательно надеваем очки, чтобы горячая деталь не попала в глаз.
- Какую температуру выдерживает микросхема? – Не больше 230 градусов.
Все детали для Металлоискателя Пират своими руками собрать легко, если следовать инструкции. Отзывы и характеристика на МП по большей части положительные.
Если остались неясности по изготовлению Металлоискателя Пират своими руками, то подробная видео инструкция в интернете ответит на оставшиеся вопросы.
Самодельный МП, сделанный своими руками, отлично подойдет для новичка.
Как сделать металлоискатель ПИРАТ своими руками — необходимые компоненты для сборки
Для изготовления самодельного металлоискателя необходимо заранее приготовить несколько предметов — это поисковый круг с катушкой, электронный блок управления и штанга-держатель. Детально рассмотрим требования к каждой детали.
Поисковый круг
Его можно вырезать из строительной фанеры, пластика либо другого диэлектрического материала. Заготовка должна быть в виде обода диаметром 180–210 мм с обвитым на нём обмоточным проводом (24–25 витков) сечением 0,5 мм. Для увеличения дистанции обнаружения, поисковый контур делают диаметром 260–270 мм и обматывают таким же проводником в количестве 21–22 витков.
Чтобы легче было сопоставить диаметр поискового круга для металлоискателя ПИРАТ с количеством витков и сечением провода, ознакомьтесь с таблицей:
| Диаметр поискового круга, мм | Количество витков, шт. | Сечение провода, мм |
| 120 | 36 | 0.4 |
| 150 | 31 | |
| 175 | 28 | |
| 200 | 26 | |
| 250 | 22 | |
| 300 | 20 | 0.5 |
| 400 | 17 | |
| 500 | 15 |
Штанга-держатель
В качестве этой детали можно использовать любой диэлектрический длинномер. Это может быть полимерная трубка, деревянный держатель огородного инструмента или швабры. На нижнем конце штанги крепят поисковый круг. Вверху в большинстве случаев крепят корпус электронного блока управления. Длину штанги определяет сам хозяин оборудования, она должна соответствовать его росту.
Блок управления
Для корпуса ЭБУ (электронного блока управления) используют различные коробчатые изделия из пластика. Главное, чтобы в корпусе свободно, но в то же время компактно могла поместиться схема прибора и элементы питания. Начинка электроники собирается на основе транзисторов и микросхем.
Самодельный металлоискатель «Пират»: схема и подробное описание сборки
Самоделки на базе металлоискателя серии «Пират» одни из самых востребованных среди радиолюбителей. Благодаря хорошим рабочим качествам прибора, он может «засечь» предмет на глубине от 200 мм (для мелких вещей) и 1500 мм (крупные элементы).
Детали для сборки металлоискателя
Металлодетектор «Пират» является прибором импульсного типа. Для изготовления прибора вам потребуется приобрести:
- Материалы для изготовления корпуса, штанги (можно использовать пластиковую трубу), держателя и так далее.
- Проводы и изоленту.
- Наушники (подойдут от плейера).
- Транзисторы – 3 штуки: ВС557, IRF740, ВС547.
- Микросхемы: К157УД2 и NE
- Керамический конденсатор − 1 нФ.
- 2 плёночных конденсатора − 100 нФ.
- Электролитные конденсаторы: 10 мкФ (16 В) – 2 штуки, 2200 мкФ (16 В) – 1 штука, 1 мкФ (16 В) – 2 штуки, 220 мкФ (16 В) – 1 штука.
- Резисторы – 7 штук на 1; 1,6; 47; 62; 100; 120; 470 кОм и 6 штук на 10, 100, 150, 220, 470, 390 Ом, 2 штуки на 2 Ом.
- 2 диода 1N148.
Схемы металлодетектора для изготовления своими руками
Классическая схема металлоискателя серии «Пират» построена по микросхеме NE555. Работа устройства зависит от компаратора, один выход которого присоединён к генератору импульсов ИМС, второй − к катушке, а выход − к динамику. В случае обнаружения металлических предметов сигнал от катушки поступает на компаратор, а после − на динамик, который оповещает оператора о наличии искомых предметов.
Приёмный узел на микросхеме Пират
Плату можно разместить в простой распределительной коробке, которую возможно купить в магазине электрики. Если вам недостаточно такого инструмента, вы можете попробовать сделать прибор более совершенного плана, в помощь вам схема для изготовления металлоискателя с ориентиром на золото.
Схема сверхчувствительного металлодетектора Пират–4
Как собрать металлоискатель без использования микросхем
В этом устройстве для генерирования сигналов используются транзисторы советского образца КТ-361 и КТ-315 (можно воспользоваться аналогичными радиодеталями).
Как собрать печатную плату металлоискателя своими руками
Импульсный генератор собирается на микросхеме NE555. Через подбор С1 и 2 и R2 и 3 производится регулировка частоты. Полученные в результате сканирования импульсы передаются на транзистор Т1, а он передаёт сигнал транзистору Т2. Усиление звуковой частоты происходит на транзисторе ВС547 к коллектору, и подключаются наушники.

Для размещения радиодеталей используется печатная схема, которую можно легко изготовить самостоятельно. Для этого используем кусок листового гетинакса, покрытого медной электротехнической фольгой. На неё переносим соединяющие детали, размечаем места креплений, просверливаем отверстия. Дорожки покрываем защитным лаком, а после высыхания опускаем будущую плату в хлорное железо для травления. Это необходимо для удаления незащищённых участков медной фольги.
Как сделать катушку для металлоискателя своими руками
Для основы потребуется кольцо с диаметром порядка 200 мм (в качестве основания могут использоваться обычные деревянные пяльцы), на которое наматывается проволока 0,5 мм. Чтобы повысить глубину обнаружения металлов, каркас катушки должен быть в пределах 260−270 мм, а количество витков – 21−22 об. Если у вас нет под рукой ничего подходящего, можно намотать катушку на деревянной основе.
Катушка из медной проволоки на деревянной основе
| Иллюстрация | Описание действия |
![]() |
Для намотки приготовьте доску с направляющими. Расстояние между ними равно диаметру основания, на которое вы будете крепить катушку. |
![]() |
Намотайте проволоку по периметру креплений в 20−30 витков. Скрепите обмотку изолентой в нескольких местах. |
![]() |
Снимите обмотку с основания и придайте ей округлую форму, при необходимости скрепите дополнительно обмотку ещё в нескольких местах. |
![]() |
Подсоедините контур к устройству и протестируйте его работу. |
Катушка из витой пары за 5 минут
Нам понадобятся: 1 витая пара 5 cat 24 AVG (2,5 мм), нож, паяльник, припой и мультитестер.
| Иллюстрация | Описание действия |
![]() |
Сверните провод в два мотка косичкой. Оставляем по 10 см с каждой стороны. |
![]() |
Зачистите обмотку и освободите жилы для соединения. |
![]() |
Соединяем жилы согласно схеме. |
![]() |
Для лучшего крепления спаяйте их паяльником. |
![]() |
Протестируйте катушку в том же порядке, что и устройство из медной проволоки. Выводы обмотки нужно припаять к многожильному проводу с диаметром в пределах 0,5−0,7 мм. |
Пират
Еще одна популярная импульсная модель для начинающих кладоискателей — металлоискатель «Пират» Его также легко сделать своими руками, подробная инструкция в двух вариантах:
- На той же микросхеме NE555. Это классический генератор, который начинает работать при появлении металла в зоне действия катушки. Никаких подстроек не требуется, просто в динамике раздастся писк.
- Металлоискатель, собранный на транзисторах, работает по такому же принципу. Собственно и схема аналогичная, только NE555 заменена транзисторным генератором на КТ315.
Питание желательно приблизить к 12 вольтам, поскольку качество работы зависит от напряжения. Печатные платы уже опробованы, оба варианта на иллюстрации.
Катушка (в данном случае одна) изготавливается из той же трансформаторной проволоки 0.5 мм. Оптимальный диаметр 20 мм, количество витков 25. Поскольку мы делаем металлоискатель «Пират» своими руками, внешний дизайн отходит на второй план. Подойдут любы материалы, которые вы готовы были выбросить.
Рукоятку лучше выполнить разъемной, для удобства транспортировки. Помним, что использование металлов недопустимо.
Чувствительность регулируется двумя переменными резисторами в реальном времени, при проведении поиска. Никакая точная подстройка генератора не требуется.
А если вам удастся качественно загерметизировать корпус, можно заняться поиском «сокровищ» в пляжной полосе прибоя, и даже на дне водоема.
Подводный металлоискатель своими руками сделать сложнее, но он даст неоспоримое преимущество перед конкурентами.
Улучшение характеристик
Глубинный металлоискатель своими руками без дополнительных затрат можно сделать из готового «Пирата». Для этого можно пойти двумя способами:
- Увеличение диаметра катушки индуктивности. При этом существенно повышается проницаемость вниз, но снижается чувствительность к небольшим предметам.
- Снижение числа витков катушки с одновременной подстройкой схемы. Для этого придется пожертвовать одной катушкой для экспериментов. Снимаем (и отрезаем) виток за витком, пока не увидим, что чувствительность начала снижаться. Запоминаем количество витков при максимальных параметрах, и делаем новую катушку для этой схемы. Затем меняем резистор R7 на переменный, с аналогичными параметрами мощности. Проведя несколько экспериментов с чувствительностью, фиксируем сопротивление, меняем переменник на постоянный резистор.
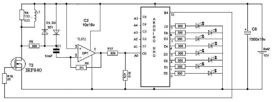
Металлоискатель «Пират» можно собрать на популярном контроллере «Ардуино».

Пользоваться таким прибором удобнее, но дискриминации металлов по-прежнему не будет.
Разобравшись, как сделать металлоискатель своими руками для любительских задач, кратко разберем несколько серьезных моделей.
Предназначение устройства
Изначально металлодетекторы выпускались для военных целей в качестве миноискателей. С опытом изготовления приборов в домашних условиях спектр их использования сильно расширился.
Металлодетектор Пират.
С помощью устройств, сделанных своими руками, ведется поиск металла в грунте в развлекательных целях — для обследования дачного участка, привлечения туристов и т.д. Они помогают найти утерянные золотые ювелирные украшения и другие ценные предметы на пляжах.
Детекторы позволяют разыскать под толщей земли металл для последующей сдачи на переплавку. Они используются в строительно-ремонтной сфере при поиске труб в грунте, линий прокладки кабелей и арматуры в стенах.
https://youtube.com/watch?v=sUPHtZcKdj0
https://youtube.com/watch?v=mAYFRb3op3A
Собираем металлоискатель дома – совет от мастера №3
Мой интерес поиска металла в земле появился сравнительно недавно, когда на рынке товаров появился металлоискатель. Что же из себя он представляет? Прибор, который работает по принципу передача – прием. Включил, проводишь катушкой и вот – писк, значит предмет найден!
Люди были готовы копать каждый сантиметр земли вглубь, чтобы найти тайну, клад, металл, монеты. Чтобы глубина обнаружения была хорошая покупали дорогие товары от 10 тысяч и выше рублей.
Да вариант хороший купил и пользуйся. Но есть и другой вариант собрать его. Практически у всех нас есть гараж, погреб, сарай, мастерская, где лежат вещи из которых, если есть желание, собирается металлоискатель.
Нам остается произвести заказ через интернет или сходить в специализированный магазин и приобрести радиодетали, а также нам понадобится различный инструмент.
Также нам может понадобится мини дрель, принтер, копирка, если принтер отсутствует. В идеале нам поможет фрезерный самодельный станок с ЧПУ и программа схем печатных плат и разводка. Оставляю ссылку на данное видео. Он облегчает работу и уменьшает время выполнения.
https://youtube.com/watch?v=X4zWKPsQhuU
Если изделие делается при помощи принтера нам понадобиться программа и готовая схема в ней под металлоискатель находим Спринт лаут в поисковой системе и устанавливаем ее. Отрываем и прикладываем файл с готовой схемой переносим рисунок на середину и нажимаем на печать.
Бумага нам нужна из журналов так как она идеальна, но можно и простую Снегурочку. Затем производим зачистку и обезжиривание текстолита, чтобы разводка как можно лучше отпечаталась.
Берем рисунок, который на бумаге, и прикладываем его к текстолиту плотно обжимаем и проглаживаем при помощи утюга 4-5 минут. Помещаем под воду и убираем лишнюю бумагу у нас должен отразиться рисунок схемы, затем сверлим и доводим дорожки лаком до идеала.
После, приступаем к травлению используя хлорное железо, работаем с ним в перчатках оно въедается в кожу и ее не возможно будет смыть. Так и в остальные материалы такие как обои, дерево, одежда.

Банка хлорного железа – 900 грамм
Нам понадобиться вся банка, то есть 900 г на ней написано. Затем 1:3 разводим ее водой в одной таре, наливаем из-под крана горячую воду в другую тару можно подогреть до 50-75С. Помещаем тару с раствором в теплую воду, а в раствор кладем текстолит с медным покрытием вниз и процесс пошел. Время травления зависит от свежести хлорного железа и составляет 20-45 минут. Достаём ее, сушим, проходим наждачной бумагой.
А бывает и такой момент, что нет принтера и станка, и сверла. Работа будет долгой и нервной. Просим знакомого или платим нам распечатают разводку.
Дальше приступаем к луде, но это на ваш выбор. После начинаем паять и собирать изделие. Начиная с мелких радиодеталей.
Давайте рассмотрим один из популярных, самодельных металлоискателей Пират. Он вам обойдётся всего в три тысячи рублей.

Радио 5 номер 2004 год
В свое время в радио кружке я собирал металлоискатель из журнала радио за 2004 год 5 номер – вот эта статья. Но у меня был опытный наставник с 35 летним опытом стажа работы по сборке радиотехники и разводку делали с помощью копирки да весь прибор я собирал при постоянном контроле его глаз. Небольшой обзор в виде скриншотов.
Давайте вернемся к нашему прибору пират и посмотрим весь процесс сбора. Готовая печатная плата выглядит так.

плата для сборки металлоискателя Pirat

Список деталей для сборки металлоискателя Пират
Далее приступаем к работе начиная вставлять резисторы, диоды и перемычку. Весь список радиодеталей приведён на картинке выше.
Далее будем паять оставшиеся детали конденсаторы и микросхемы.
Затем останется лишь катушка для этого нам понадобиться проволока 0.5 мм кастрюля любая. У меня вышло 25 витков, с диаметром 19 см.
Потом фольгой для экранирования, что бы не пищала на любые звуки. И скотчем.
Конструкцию катушки помещаем в банку из-под пресервов, где была сельдь, схему можно поместить в коробочку из самодельной фанеры или в большую распаянную коробку. Желаю удачи в сборе данного прибора, но есть один момент вам еще надо знать, где искать или это будет потраченное время.


































































