Какой же прибор выбрать?

Выбор счетчика начинается с вопроса его подключения — через трансформатор или напрямую в сеть, что можно определить по максимальному току. Счетчики прямого включения имеют токи порядка 5-60/10-100 ампер, а полукосвенного — 5-7,5/5-10 ампер. Строго согласно этим показаниям подбирается и счетчик — если ток 5-7,5А, то и счетчик должен быть аналогичным, но никак не 5-10А, например.
Во вторую очередь обращаем внимание на наличие профиля мощности и внутреннего тарификатора. Что это дает? Тарификатор позволяет счетчику регулировать тарифные переходы, фиксировать график нагрузки за любой временной промежуток. А профиль — фиксирует, регистрирует и сохраняет значения мощности за период времени
А профиль — фиксирует, регистрирует и сохраняет значения мощности за период времени.
Для наглядности рассмотрим характеристики трехфазного счетчика на примере его многотарифной модели:
Следует взять на заметку, что на сегодняшний день широко распространены трехфазные счетчики для однофазных сетей и наоборот: когда в трехфазную сеть подключают сразу три однофазных.
Класс точности определяется в значениях от 0,2 до 2,5. Чем больше это значение, тем больше процент погрешности. Для жилых помещений самым оптимальным считается класс 2.
- значение номинальной частоты: 50Гц
- значение номинального напряжения: В, 3х220/380, 3х100 и другие
Если при применении измерительного трансформатора вторичное напряжение равно 100В, требуется счетчик такого же класса напряжения (100В), а также трансформатор значение полной мощности, потребляемой напряжением: 5 ВА, а активной мощности — 2Вт
- значение номинального-максимального тока: А, 5-10, 5-50, 5-100
- максимальное значение полной мощности, потребляемой током: до 0,2ВА
- включение: трансформаторное и непосредственное
- регистрация и учет активной энергии
Кроме этого, важен диапазон температурных показателей — чем он шире, тем лучше. Средние значения находятся в пределах от минус 20 до плюс 50 градусов.
Также следует обратить внимание на срок эксплуатации(зависит от модели и качества счетчика, но в среднем это 20 -40 лет) и межпроверочный интервал (5-10 лет). Большим плюсом будет и наличие встроенного электросилового модема, с помощью которого происходит экспорт показателей по силовой сети. А журнал событий позволяет нотировать изменения, касающиеся динамики напряжения, активной и реактивной энергии и прямо транслировать их на компьютер или соответствующий коммуникационный центр
А журнал событий позволяет нотировать изменения, касающиеся динамики напряжения, активной и реактивной энергии и прямо транслировать их на компьютер или соответствующий коммуникационный центр
Большим плюсом будет и наличие встроенного электросилового модема, с помощью которого происходит экспорт показателей по силовой сети. А журнал событий позволяет нотировать изменения, касающиеся динамики напряжения, активной и реактивной энергии и прямо транслировать их на компьютер или соответствующий коммуникационный центр.
И самое главное. Ведь выбирая счетчик, мы в первую очередь думаем об экономии
Так вот, чтобы действительно сэкономить на электроэнергии, следует обратить внимание на наличие тарифов. По этому признаку счетчики бывают одно-, двух- и многотарифные. Например, двухтарифные заключаются в комбинации позиций «день-ночь«, непрерывно сменяющие друг друга по графику «7 утра -11 ночи; 11 ночи -7 утра» соответственно
Стоимость электроэнергии по ночному тарифу на 50% ниже дневного, поэтому имеет смысл эксплуатировать приборы, требующие много энергии(электродуховки, стиральные и посудомоечные машины и пр.) именно в ночное время
Например, двухтарифные заключаются в комбинации позиций «день-ночь«, непрерывно сменяющие друг друга по графику «7 утра -11 ночи; 11 ночи -7 утра» соответственно. Стоимость электроэнергии по ночному тарифу на 50% ниже дневного, поэтому имеет смысл эксплуатировать приборы, требующие много энергии(электродуховки, стиральные и посудомоечные машины и пр.) именно в ночное время.
Подключаем трехфазный электросчетчик
Существует два типа подключения трехфазного счетчика, прямое и косвенное, через разделительные трансформаторы тока.
Если необходимо учитывать потребление относительно небольшого количества трехфазных потребителей малой мощности, то счетчик электроэнергии устанавливается непосредственно в разрыв питающих проводов.
Если же необходимо контролировать достаточно мощные потребители трехфазной электросети, и их токи превышают номинальные значение электросчетчика, значит необходимо устанавливать дополнительные трансформаторы тока.
Для частного загородного дома, или небольшого производства, будет достаточно установки только одного счетчика, рассчитанного на максимальный ток до 50 ампер. Его подключение похоже на описанное выше, для однофазного счетчика, но разница в том, что при подключении трехфазного счетчика используется трехфазная питающая сеть. Соответственно количество проводов и клемм на счетчике будет больше.
Подключение трехфазного счетчика
Рассмотрим прямое подключение счетчика
Подводящие провода зачищают от изоляции и подключают к трехфазному автомату защиты. После автомата три фазных провода подключаются к 2, 4, 6 клемме электросчетчика соответственно. Выход фазных проводов осуществляется к 1; 3; 5 клеммам. Входной Нейтральный провод подключается к клемме 7. Выходной к клемме 8.
После счетчика, для защиты, устанавливаются автоматические выключатели. Для трехфазных потребителей ставятся трехполюсные автоматы.
К такому счетчику можно подключить и более привычные, однофазные электроприборы. Для этого необходимо подключить однополюсный автомат от любой отходящей фазы счетчика, а второй провод взять от нейтральной шины зануления.
Если планируется устанавливать несколько групп однофазных потребителей, их необходимо равномерно распределить, запитав автоматические выключатели от разных фаз после счетчика.
Схема подключения трехфазного электросчетчика
Косвенное подключение счетчика через трансформаторы тока
Если потребляемая нагрузка всех электроприборов превышает номинальное значение силы тока, которое может проходить через счетчик, но необходимо дополнительно установить разделительные трансформаторы тока.
Такие трансформаторы устанавливаются в разрыв силовых токоведущих проводов.
Трансформатор тока имеет две обмотки, первичная обмотка выполнена в виде мощной шины, продетой через середину трансформатора, она подключается в разрыв силовых проводов питания электропотребителей. Вторичная обмотка имеет большое количество витков тонкого провода, эта обмотка подключается к электросчетчику.
Счетчик подключенный через трансформаторы тока
Такое подключение значительно отличается от предыдущего, оно намного сложнее и требует специальных навыков. Рекомендуем для работ по подключению трехфазного счетчика с трансформаторами тока пригласить квалифицированного специалиста. Но если вы уверены в своих силах и имеете подобный опыт, то это решаемая задача.
Необходимо подключить три трансформатора тока, каждый для своей фазы. Трансформаторы тока крепятся на задней стенке вводного шкафа учеба. Их первичные обмотки подключаются после вводного рубильника и группы защитных предохранителей, в разрыв фазных силовых проводов. В этом же шкафу устанавливается трехфазный электросчетчик.
Подключение производится согласно утвержденной схеме.
Схема подключения трансформаторов тока
К силовому проводу фазы А, до установленного трансформатора тока, подключается провод сечением 1.5 мм², второй его конец заводится на 2ю клемму счетчика. Аналогично подключают провода сечением 1.5 мм² к оставшимся фазам В и С, на счетчике они подходят к клеммам 5 и 8 соответственно.
От клемм вторичной обмотки трансформатора тока, фазы А, провода сечением 1.5 мм² идут к счетчику на клеммы 1 и 3. Необходимо соблюдать фазировку подключения обмотки, иначе показания счетчика будут не верны. Аналогичным образом подключаются вторичные обмотки трансформаторов В и С, они подключаются к счетчику на клеммы 4, 6 и 7, 9 соответственно.
10-я клемма электросчетчика подключается к общей нейтральной шине зануления.
Прямое включение трёхфазного прибора
Наиболее простым способом подключения, который напоминает стандартную схему установки счётчика однофазного типа является прямое включение прибора контроля потребления электроэнергии. Основной отличительной чертой таких устройств является наличие большего количества клеммных контактов, чем в однофазных аналогах. В свою очередь, сам монтажный процесс трёхфазного прибора «Меркурий» заключается в определённой последовательности действий.
Читать также: Инверторный стабилизатор напряжения с двойным преобразованием
- Подводящие проводники зачищаются от изоляции и подключаются к защитному автоматическому выключателю трёхфазного типа.
- Сразу за автоматом выполняется подключение фазных жил в количестве 3 шт. к парным клеммным контактам начиная с правой стороны прибора. Соответственно вывод фазной проводки выполняется с нечётных зажимов.
- Подключение нулевого проводника выполняется соответственно к двум оставшимся контактам 7 и 8.
- Сразу за электрическим счётчиком монтируются трёхполюсные защитные автоматы.
- К счётчику «Меркурий» можно подключать и стандартное бытовое оборудование. С этой целью необходимо выполнить отводку однополюсного автомата от любого фазного провода и, естественно, от нулевой клеммы.
Если запланирована установка нескольких потребителей однофазного типа, то они должны равномерно распределяться, для чего подключаются через автоматы с разных фазных проводников, взятых сразу после электросчётчика.
Преимущества подключения на 3 фазы

Устанавливая многотарифный счетчик, владельцы дома или квартиры получают множество выгод:
- экономия – у некоторых моделей есть режимы дневной и ночной тарификации, что позволяет использовать меньше энергии ночью, чем днем;
- универсальность – устройства можно подсоединить со стандартной сети 220 В или новой сети 380 В прямым способом или через трансформатор;
- постоянный контроль – счетчик уравновешивает сетевое напряжение;
- точность – учет затраченной электроэнергии производится с погрешностью от 0,2 до 2,5 %;
- дополнительные функции – счетчики оснащаются журналом событий, электросиловым модемом, фиксацией пользователей, монитором для вывода данных.
Однофазный вариант дает погрешность показаний до 5 %.
Подключение трехфазного счетчика полукосвенного включения
Данные приборы включаются в сеть через трансформаторы тока, благодаря чему появляется возможность использовать их в сетях с довольно высокими мощностями (до 60кВт). Используя такой способ учета, для определения расхода нужно разность показаний умножать на установленный коэффициент трансформации.
Существует несколько разновидностей подключения счетчиков полукосвенного подключения.
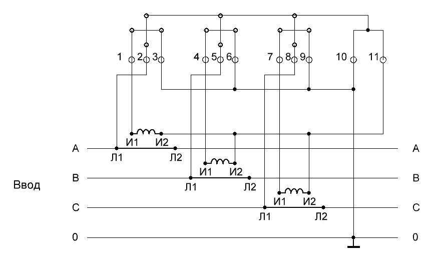
1 Подключение трансформаторов тока «звездой»
Процесс подключения проводов имеет вид:
- контакты 3, 6, 9, 10 – замыкаются и подключаются к нулевому проводу;
- контакты И2 – замыкаются, подключаются к клемме 11;
- 1 – к И1 фазы А;
- 4 – к И1 фазы В;
- 7 – к И1 фазы С;
- 2 – к Л1 фазы А;
- 5 – к Л1 фазы В;
- 8 – к Л1 фазы С.
Рисунок — Схема подключения «звездой»
2. Десятипроводная схема включения счетчика
10-ти проводная схема
Эта схема характеризуется улучшенной электробезопасностью, ввиду изоляции друг от друга цепей тока и напряжения.
3. Подключение трехфазного счетчика косвенного подключения
Эти устройства предназначены для выполнения учета электроэнергии на высоковольтных присоединениях (6-10кВ и более), подключение реализуется при помощи трансформаторов напряжения, тока.
Ниже представлены основные схемы подключения трехфазных счетчиков через трансформаторы тока и напряжения:
1) Схема включения трехэлементного счетчика в четырехпроводную сеть с заземленной нейтралью: (рисунок ниже)2) Схема включения трехэлементного счетчика в четырехпроводную сеть. Три трансформатора тока, прямое подключение к напряжению:(рисунок ниже)3) Схема включения трехэлементного счетчика к трехпроводной линии — два трансформатора тока, три трансформатора напряжения:(рисунок ниже)
При подключении трехэлементного счетчика по схеме №3:
- ток по фазе В вычисляется с вычетом тока нулевой последовательности;
- не используются токи прямой, обратной и нулевой последовательности основной частоты (симметричные составляющие);
- активная и реактивная мощности по фазе В вычисляются с вычетом тока нулевой последовательности из фазного тока;
- учет электрической энергии ведется с учетом вышеприведенных замечаний.
4) Схема включения двухэлементного счетчика к трехпроводной линии — два трансформатора тока, два трансформатора напряжения (рисунок ниже)
При подключении счетчика по схемам №4 и №5:
- не измеряется напряжение нулевой последовательности основной частоты (симметричные составляющие);
- не измеряются токи прямой, обратной и нулевой последовательности основной частоты (симметричные составляющие);
- мощности присоединения вычисляются по формулам;
- учет электрической энергии ведется с учетом вышеприведенных замечаний.
5) Схема подключения двухэлементного счетчика к трехпроводной линии – два трансформатора тока, прямое подключение по напряжению (рисунок ниже)
Внимание!: Возможность подключения по конкретной схеме должна быть указана в паспорте или руководстве на конкретный тип счетчика. Счетчик прямого включения трехфазный Энергомера
Счетчик прямого включения трехфазный Энергомера
Сегодняшняя статья посвящена разборке счетчика прямого включения Энергомера ЦЭ 6803В. Напоминаю, у меня уже есть подобная статья про устройство однофазного счетчика Энергомера. Там же – информация о том, как счетчик считает электроэнергию.
На этот раз – не одна, а три фазы!
Кто глубже интересуется темой – я подробно уже написал в другой статье, чем три фазы отличаются от одной.
По таким счетчикам у меня есть ещё одна популярная статья – про подключение и монтаж трехфазных счетчиков. Там очень подробно, как закрепить и подсоединить такие счетчики.
Мне попал в руки трехфазный счетчик, который снят с эксплуатации. Разбирать будем до винтика, приготовьтесь!
Технические мероприятия
Имея на руках техническую документацию, с указанием наименований и места монтажа, можно приступать к установке электросчетчика своими руками. Прежде всего необходимо приобрести материалы и элементы для самостоятельного монтажа.
Если счетчик электроэнергии планируется ставить на улице (для частных домов и дач это оптимальное место размещения), на наружной стене дома (фасаде) или же столбе, необходимо установить ЯУР-НГ (ящик учета и распределения наружный, герметичный бокс). Он уже снабжен местом и элементами для крепления прибора учета, а также отдельным закрывающимся боксом под пломбировку автомата защиты ввода. Помимо этого бокс снабжен DIN рейкой для монтажа распределительных элементов. Пример установки электросчетчика в наружном боксе вы можете увидеть на фото:
Для того, чтобы установить электросчетчик в помещении можно использовать ящик ЯУР для внутренней установки или монтажную доску, в ней также предусмотрено место для монтажа дополнительных автоматов.
Расчет сечения кабеля описан в нашей статье. Перенос или замену счетчика, а также установку нового прибора учета лучше производить с заменой старого вводного провода на новый. Помимо этого рекомендуется установить в щитке элементы защиты (УЗО, автоматы) вместо устаревших пробок, заранее заложив возможность перехода на современную систему электроснабжения TN-C-S. О том, какие бывают системы заземления, можете прочитать в нашей статье. На рисунке ниже предоставлена схема подключения однофазного электросчетчика с заземлением:
В том случае, если вы решили установить электросчетчик своими руками, согласно правилам ПУЭ нужно выполнить такие требования:
- Прибор учета электроэнергии может устанавливаться в электрических шкафах, на щитах и панелях, имеющих жесткую конструкцию.
- Высота установки по норме варьируется от 0,8 метра до 1,7 метра.
- В местах, где есть вероятность повреждения, загрязнения, доступа посторонних лиц, электросчетчик должен устанавливаться в бокс и запираться на ключ.
- Расположение счетчика должно позволять легкий доступ в обслуживании, снятии показаний, замене.
- Вводной кабель должен отвечать расчетным требованиям и соответствовать сечению, для безаварийного снабжения.
- Не допускаются скрутки, спайки на вводном кабеле, он должен быть одним цельным куском от подъездного ввода до прибора учета.
При подключении кабеля к счетчику, знайте что цветовая маркировка жил должна быть такой, согласно принятых правил — коричневый, черный, красный, белый это проводники подключаемые к фазам, обозначается как L. Синий — провод нуля N, желто-зеленная изоляция у защитного проводника РЕ. Помня про цветовую маркировку трудно запутаться.
Обращаем ваше внимание на то, что выполнять установку электросчетчика под напряжением категорически запрещается! Все электромонтажные работы должны производиться только при выключенном вводном автомате!
В частном доме, а также на дачном участке, в том случае если электросчетчик вновь устанавливаемый находится на столбе границы участка, имеется возможность подключения дома от ЯУРа проложив электропроводку в земле, или выполнив монтаж тросовой проводки на высоте по воздуху. Рекомендуем ознакомится с этими статьями на нашем ресурсе, где подробно описаны методы прокладывания кабеля в траншее и самостоятельное изготовление тросовой проводки.
Кстати, стоимость установки электросчетчика специалистом варьируется от 1000 рублей за однофазную модель и от 1500 рублей за трехфазный прибор. Цена на монтаж счетчика на два тарифа (ночной и дневной) будет еще выше.
Напоследок рекомендуем просмотреть видео, в которых наглядно демонстрируется, как установить однофазный и трехфазный счетчик электроэнергии:
Что касается способов подсоединения устройств, схемы подключения трехфазных счетчиков, а также однофазных, мы подробно рассмотрели в соответствующих статьях, с которыми настоятельно рекомендуем ознакомиться. В остальном, надеемся, что вам понравилась наша информация о том, как производится установка электросчетчика своими руками и какие документы для этого нужны.
https://youtube.com/watch?v=qnbCqQ2eztk
https://youtube.com/watch?v=Ck0OnWoUq8U
Схемы подключения трансформаторов
От того, какая схема подключения трехфазного счетчика через трансформаторы тока используется в данном случае, зависит надёжность работы всей измерительной системы в целом. При выборе той или иной из них необходимо учитывать следующие требования:
- Запрещено включать счетчик через трансформаторы тока, если он предназначен для прямого подсоединения в измерительную сеть;
- При косвенном включении необходимо исследовать электрическую схему и определиться с подходящей для неё моделью трансформатора (по мощности и току);
Важно! Перед тем, как выбрать трансформатор для каждой конкретной ситуации, прежде всего, следует обратить внимание на его коэффициент преобразования, имеющий отличные значения для разных моделей. Прежде чем выбрать трансформатор тока для определённой измерительной схемы нужно внимательно изучить порядок расположения контактов, к которым подключается трехфазный счетчик
Прежде чем выбрать трансформатор тока для определённой измерительной схемы нужно внимательно изучить порядок расположения контактов, к которым подключается трехфазный счетчик
Прежде чем выбрать трансформатор тока для определённой измерительной схемы нужно внимательно изучить порядок расположения контактов, к которым подключается трехфазный счетчик.
Далее будет рассмотрена конкретная схема подключения счетчика в трёхфазную цепь (смотрите рисунок ниже).
Поскольку общий принцип функционирования всех электросчетчиков одинаков, то назначение имеющихся на них клемм также схоже. Для фазы «А» оно выглядит следующим образом:
- Контакт К1 нужен для того, чтобы подключать к счётчику токовый провод и один конец катушки напряжения трансформатора;
- Клемма К2 предназначена для подключения нагрузки к данной фазной линии;
- Контакт К3 используется для подсоединения второго конца обмотки напряжения ТТ.
Таким же образом к счётчику подключается вторая фаза «В» (посредством клемм К4, К5 и К6), а также третья – «С» с контактами К7, К8, К9.
Обратите внимание! Клемма К10 – общая нулевая, относительно её на К1, К4 и К7 счётчика поступают фазные напряжения со следующими тремя обозначениями: «А», «В» и «С». К недостаткам совмещённой схемы следует отнести большую погрешность измерения потребляемой мощности, а также невозможность выявления пробоя в обмотках трансформатора. К недостаткам совмещённой схемы следует отнести большую погрешность измерения потребляемой мощности, а также невозможность выявления пробоя в обмотках трансформатора
К недостаткам совмещённой схемы следует отнести большую погрешность измерения потребляемой мощности, а также невозможность выявления пробоя в обмотках трансформатора.
На практике чаще всего применяется более простая схема подключения электросчетчика, согласно которой осуществляется совмещённое подсоединение вторичных токовых цепей. Она функционирует следующим образом:
- К токовому контакту счётчика от сетевого автомата подключаются фазные провода. Для упрощения схемы к нему же подсоединяется вторая клемма фазного напряжения;
- Фазный ввод катушки выбираем таким образом, чтобы он одновременно являлся выходом первичной обмотки ТТ. В дальнейшем он подсоединяется к нагрузке через распределительные цепи;
- Начало вторичной трансформаторной обмотки подсоединяется к первому контакту токовой катушки счетчика (по одной из фаз);
- Конец вторичной трансформаторной катушки соединён с концом токовой обмотки подключенного счётного механизма.
Аналогичным образом подключаются все оставшиеся фазы.
Соединение и заземление вторичных обмоток счётчика осуществляется в соответствии с требованиями ПУЭ (они выполняются по схеме «звезда»).
Благодаря такой организации подключения контактов получается семипроводная схема (в отличие от 10-ти контактной). В заключение следует напомнить, что при подключении через ТТ важен грамотный выбор его типа.
Правильно выбрать трансформатор тока, значит, принять в расчет, что максимально допустимое токовое значение во вторичной обмотке не может превышать 40% от номинала, а минимальное – 5%. Все подключаемые к счётчику фазные напряжения должны следовать в определенном порядке, который контролируется посредством специального прибора (фазометра).
Схема подключения электросчетчика прямого включения
- Приветствую Вас на сайте «Заметки электрика».
- В предыдущих статьях я Вам рассказал как правильно выбрать и купить электросчетчик.
- И сейчас перед нами стоит задача в его подключении.
- После прочтения этой статьи у Вас не возникнет затруднений по установке и подключению счетчика электрической энергии.
Схема подключения однофазного электросчетчика
Красным цветом обозначены токовая катушка (обмотка) и фазный провод, синим цветом — катушка (обмотка) напряжения и нулевой провод.
Данная схема предназначена для подключения любого однофазного счетчика электрической энергии.
Однофазные счетчики чаще всего подключают по схеме прямого включения в сеть и только в очень редких случаях через трансформаторы тока.
В клеммной колодке однофазного счетчика электроэнергии имеется 4 контакта:
- 1 клемма — ввод фазы
- 2 клемма — выход фазы на нагрузку (в квартиру)
- 3 клемма — ввод нуля
- 4 клемма — выход нуля на нагрузку (в квартиру)
- винт напряжения — для отключения катушки напряжения в индукционных счетчиках при проведении государственной поверки
Вот внешний вид, распространенного в последнее время, однофазного электронного счетчика СОЭ-55/50Ш-Т-112.
А вот внешний вид однофазного электронного счетчика СЕ-102 от Энергомеры.
Кстати, читайте мою статью о том, как правильно снимать показания со счетчиков Энергомера (положение запятой или точки на счетном механизме).
Пример схемы подключения однофазного электросчетчика в квартире или на даче.
В данной схеме перед счетчиком электроэнергии установлен вводной автоматический выключатель. Эту схему можно использовать для электроснабжения своей квартиры, дачи или коттеджа. Более подробно о выполнении монтажа электропроводки Вы можете познакомиться в следующих статьях:
Дополнительно: наглядное представление о схеме подключения однофазного счетчика можете узнать из статьи про этажный щит на 3 квартиры. В ней я подробно рассказываю про замену счетчика на лестничной площадке в этажном щите.
Схема подключения трехфазного электросчетчика
Данная схема предназначена для подключения трехфазного счетчика электрической энергии прямого включения.
Существует несколько способов подключения трехфазных счетчиков электроэнергии, в зависимости от электроустановки:
- прямого включения
- через трансформаторы тока
- через трансформаторы тока и измерительные трансформаторы напряжения
Все вышеперечисленные схемы отличаются только наличием в них трансформаторов тока и напряжения. Более подробно об этом Вы можете прочитать в моей статье подключение счетчика через трансформаторы тока и трансформаторы напряжения.
Для бытовых нужд (квартиры, дачи, коттеджи) чаще всего используется прямой способ включения трехфазного электросчетчика. Эти счетчики ограничены по току до 100 (А).
В клеммной колодке трехфазного счетчика прямого включения имеется 8 контактов. Все аналогично однофазному электросчетчику, только различается количеством фаз.
В данной статье я покажу Вам наглядно только один, самый распространенный способ — подключение трехфазного трехэлементного счетчика прямого включения в 4-проводную сеть напряжением 380/220 (В).
Внимание!!! При подключении важно соблюдать фазировку и цветовую маркировку проводов
В данной схеме перед счетчиком электроэнергии установлен вводной четырехполюсный автоматический выключатель. После счетчика питание электроприемников производится через групповые однополюсные автоматические выключатели с равномерным распределением нагрузки по фазам. Эту схему можно использовать для электроснабжения своей дачи или коттеджа.
P.S. Чтобы грамотно и профессионально выполнить вышеперечисленные работы, необходимо хорошо знать схемы подключения электросчетчиков. Думаю, что после изучения этой статьи Вы своими руками сможете подключить электросчетчик. А также Вы можете пригласить специалистов электролаборатории, которые качественно и быстро выполнят все электромонтажные работы.
Если статья была Вам полезна, то поделитесь ей со своими друзьями:




















































